电脑桌面
添加小米粒文库到电脑桌面
安装后可以在桌面快捷访问

完整版30m简支箱梁计算书VIP免费

完整版30m简支箱梁计算书_第1页
1/13
完整版30m简支箱梁计算书_第2页
2/13
完整版30m简支箱梁计算书_第3页
3/13
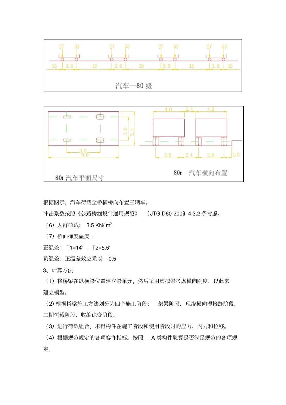
30m 预应力混凝土简支小箱梁计算书一、主要设计标准1、公路等级:城市支路,双向四车道2、桥面宽度: 3m 人行道 +0.25m 路缘带 +2x3.5m车行道 +0.5m 双黄线 +2x3.5m 车行道 +0.25m路缘带 +3m 人行道 =21m 3、荷载等级:汽车 -80 级4、设计时速: 30Km/h 5、地震动峰值加速度0.2g 6、设计基准期: 100 年二、计算依据、标准和规范1、《厂矿道路设计规范》 (GBJ22-87)2、《公路桥涵设计通用规范》 (JTG D60-2004)3、《公路钢筋混凝土及预应力混凝土桥涵设计规范》(JTG D62-2004)三、计算理论、荷载及方法1、计算理论桥梁纵向计算按照空间杆系理论,采用Midas Civil2012软件计算。2、计算荷载(1)自重: 26KN/ m3(2)桥面铺装: 10cm 沥青铺装层 +8cm 钢筋混凝土铺装(3)人行道恒载: 20KN/ m (4)预应力荷载:采用 4 束 5φ s15.2 和 6 束 4φ s15.2 fpk=1860MPa钢绞线,张控应力1395MPa。(5)汽车荷载:本桥由于是物流园区内部道路,通行的重车较多, 本次设计考虑 《厂矿道路设计规范》(GBJ22-87)汽车 -80 级,计算图示如下:根据图示,汽车荷载全桥横桥向布置三辆车。冲击系数按照《公路桥涵设计通用规范》 (JTG D60-2004)4.3.2 条考虑。(6)人群荷载: 3.5 KN/ m2(7)桥面梯度温度 : 正温差: T1=14° ,T2=5.5°负温差:正温差效应乘以-0.5 3、计算方法(1)将桥梁在纵横梁位置建立梁单元,然后采用虚拟梁考虑横向刚度,以此来建立模型。(2)根据桥梁施工方法划分为四个施工阶段:架梁阶段、现浇横向湿接缝阶段、二期恒载阶段、收缩徐变阶段。(3)进行荷载组合,求得构件在施工阶段和使用阶段时的应力、内力和位移。(4)根据规范规定的各项容许指标。按照A 类构件验算是否满足规范的各项规定。四、计算模型全桥采用空间梁单元建立模型, 共划分为 273 节点和 448 个单元。全桥模型如下图:全桥有限元模型图五、计算结果1、施工阶段法向压应力验算(1)架梁阶段架设阶段正截面上缘最小压应力为1.0MPa,最大压应力为 2.7MPa;正截面下缘最小压应力为12.0MPa,最大压应力为 13.7MPa。根据《公路钢筋混凝土及预应力混凝土桥涵设计规范》JTG D62-2004第 7.2.8 条规定 1.15ftk’=-1.484 MPa≤σ ≤ 0.7fck’=18.144 MPa,可见加梁阶段压应力满足规范要求。架梁阶段正截面上缘压应力图(MPa)架梁阶段正截面下缘压应力(MPa)(2)现浇横向湿接缝阶...

1、当您付费下载文档后,您只拥有了使用权限,并不意味着购买了版权,文档只能用于自身使用,不得用于其他商业用途(如 [转卖]进行直接盈利或[编辑后售卖]进行间接盈利)。
2、本站所有内容均由合作方或网友上传,本站不对文档的完整性、权威性及其观点立场正确性做任何保证或承诺!文档内容仅供研究参考,付费前请自行鉴别。
3、如文档内容存在违规,或者侵犯商业秘密、侵犯著作权等,请点击“违规举报”。

碎片内容

完整版30m简支箱梁计算书

文库当当响+ 关注
实名认证
内容提供者

该用户很懒,什么也没介绍

相关文档

确认删除?
VIP
微信客服
  • 扫码咨询
会员Q群
  • 会员专属群点击这里加入QQ群
客服邮箱
回到顶部