第2章电路的暂态分析2.2.1在图所示电路中,开关S闭合前电路已处于稳态,试确定S闭合后电压uC和电流iC、i1、i2的初始值和稳态值。2.2.2...
电工学心得体会对于元器件,重点放在特性、参数、技术指标和正确使用方法,不要过分追究其内部机理。讨论器件的目的在于应用。学会用工程观...
军校《电工学》讲授过程中的一点心得体会篇一:实验过程中的心得体会今天,老师布置了一个任务——做科学实验。我选择了水中点灯。放学后我...
电工学心得体会[五篇]电工学心得体会电工学是一门应用极其广泛的学科,不论是我们的日常生活,还是社会的经济发展都离不开电工学。毫无疑问...
电工学原理感想范文电工学原理综合实验感想在这个泛着一丝凉意的秋末,带着无限好奇的我们走进了的电工学实验室,开始了期盼已久的电工学综...
《电工学》教学反思蔡绍彬通过这一学期《电工学》课程的教学,又有了新的收获和提高,同时也丰富了自己的教学经验、探索了新的教学规律,不...
自贡职业技术学校2011-----2012学年第一学期电工学期末考试试题A卷姓名班级学号题号得分考试时间:120分钟,考试形式:闭卷一、填空题(每...
本资料十分适合大学生初期末考试回忆考点旳复习资料,我就是用这个来对付武汉理工大学旳考试旳,你们可以试试电工基础知识点1.电路旳状态...
电工学第六版课后练习与思考课件•电路分析基础•电磁场与电磁波•电机与电力电子•电力系统与供配电•信号处理与通信电子•安全与环保目录...
•电子教案课件概述•电子教案课件制作流程•电子教案课件的应用场景与优势•电子教案课件的未来发展趋势目录contents定义与特点定义特点电...
电工学(第五版)电子通用课件•电工基础知识•交流电路•磁路与电机•电子技术基础•安全用电常识目录contents01电工基础知识CHAPTER电路的...
工学少学第四答案件01第一章答案选择题答案选择题1答案:C选择题2答案:B选择题3答案:D填空题答案填空题3答案:电阻03填空题2答案:电流02...
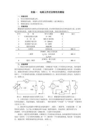
实验一电路元件伏安特性的测绘一、实验目的1.学会识别常用电路元件;2.掌握线性电阻、非线性元件伏安特性的测绘(逐点测试法);3.掌握直流...
电工学习题2022_下册《电工与电子技术》习题第14章半导体器件一、选择题1、对半导体而言,其正确的说法是()。(1)P型半导体中由于多数载...
第1页共7页得分阅卷教师编号:时间:2021年x月x日书山有路勤为径,学海无涯苦作舟页码:第1页共7页海南大学2009-2010学年度第1学期试卷科目...
第1页共18页编号:时间:2021年x月x日书山有路勤为径,学海无涯苦作舟页码:第1页共18页电工学与电子技术B复习题参考答案一、选择题1、一含...
第1页共40页编号:时间:2021年x月x日书山有路勤为径,学海无涯苦作舟页码:第1页共40页电工学(电工技术、电子技术)复习题一、单项选择题...
第①页共㊴页编号:时间:2021年x月x日书山有路勤为径,学海无涯苦作舟页码:第①页共㊴页电工学(电工技术、电子技术)复习题一、单项选择...
第1页共15页编号:时间:2021年x月x日书山有路勤为径,学海无涯苦作舟页码:第1页共15页12、双金属片热继电器作电动机的过负荷保护。13、风...
第1页共7页编号:时间:2021年x月x日书山有路勤为径,学海无涯苦作舟页码:第1页共7页单选题(共10道试题,共50分。)V1.已知单相交流电路...

