电脑桌面
添加小米粒文库到电脑桌面
安装后可以在桌面快捷访问

电工学A试验指导书VIP免费

电工学A试验指导书_第1页
1/10
电工学A试验指导书_第2页
2/10
电工学A试验指导书_第3页
3/10
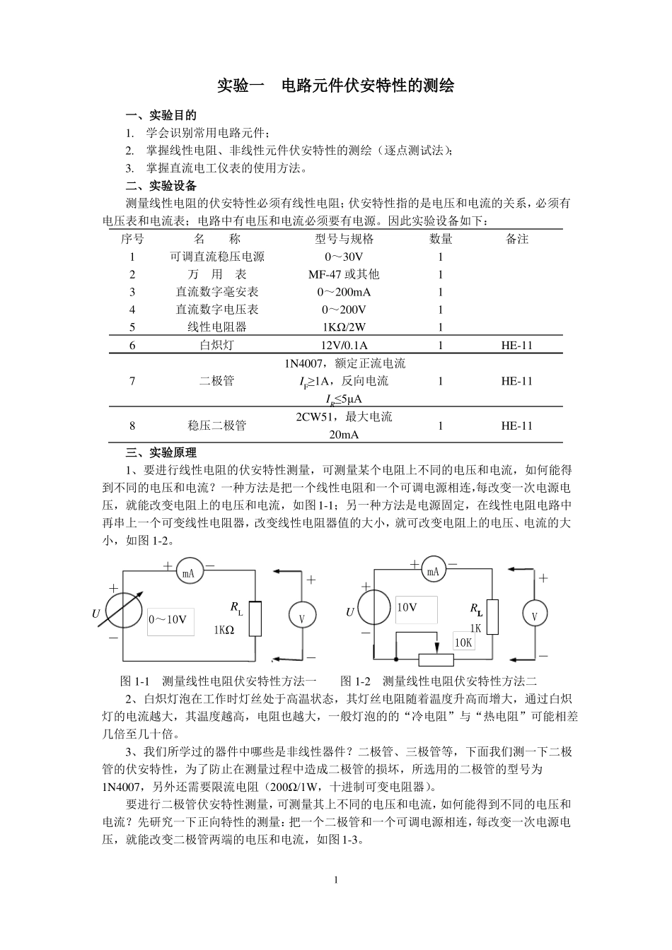
实验一电路元件伏安特性的测绘一、实验目的1.学会识别常用电路元件;2.掌握线性电阻、非线性元件伏安特性的测绘(逐点测试法);3.掌握直流电工仪表的使用方法。二、实验设备测量线性电阻的伏安特性必须有线性电阻;伏安特性指的是电压和电流的关系,必须有电压表和电流表;电路中有电压和电流必须要有电源。因此实验设备如下:序号1234567名称可调直流稳压电源万用表直流数字毫安表直流数字电压表线性电阻器白炽灯二极管型号与规格0~30VMF-47或其他0~200mA0~200V1KΩ/2W12V/0.1A1N4007,额定正流电流IF≥1A,反向电流IR≤5μA2CW51,最大电流20mA数量1111111备注HE-11HE-118稳压二极管1HE-11三、实验原理1、要进行线性电阻的伏安特性测量,可测量某个电阻上不同的电压和电流,如何能得到不同的电压和电流?一种方法是把一个线性电阻和一个可调电源相连,每改变一次电源电压,就能改变电阻上的电压和电流,如图1-1;另一种方法是电源固定,在线性电阻电路中再串上一个可变线性电阻器,改变线性电阻器值的大小,就可改变电阻上的电压、电流的大小,如图1-2。+-+-mAmA++++10VRLRLUUV0~10VV1K1KΩ--10K--图1-1测量线性电阻伏安特性方法一图1-2测量线性电阻伏安特性方法二2、白炽灯泡在工作时灯丝处于高温状态,其灯丝电阻随着温度升高而增大,通过白炽灯的电流越大,其温度越高,电阻也越大,一般灯泡的的“冷电阻”与“热电阻”可能相差几倍至几十倍。3、我们所学过的器件中哪些是非线性器件?二极管、三极管等,下面我们测一下二极管的伏安特性,为了防止在测量过程中造成二极管的损坏,所选用的二极管的型号为1N4007,另外还需要限流电阻(200Ω/1W,十进制可变电阻器)。要进行二极管伏安特性测量,可测量其上不同的电压和电流,如何能得到不同的电压和电流?先研究一下正向特性的测量:把一个二极管和一个可调电源相连,每改变一次电源电压,就能改变二极管两端的电压和电流,如图1-3。1如何测量二极管的反向特性?其实只需电路中的电源或二极管的极性反接在电路中,还有没有其他要求呢?由二极管理论知识可知,二极管反向电流非常小,因此测反向电流时可以用微安表(实际做实验时,测量正向和反向电流时有时都用电流表)如图1-4。200Ω200Ω+-+-mAmA++RR-+VDVDVUVU0~-30V1N40070~12V1N4007+---图1-3测量二极管正向伏安特性图1-4测量二极管反向特性4、稳压二极管是一种特殊半导体二极管,其正向特性与普通二极管类似,但其反向特性较特别。反向电压由0开始增加时,其反向电流几乎为0,但当电压增加到某一数值(稳压值)时,电流将突然增加,以后它的端电压将维持不变,不再随外加电压升高而增大。四、实验内容和步骤1.测定线性电阻的伏安特性按照图1-1接线并测量,调节稳压电源的输出电压U,从0伏开始缓慢地增加,一直到10V,记下相应的电压表和电流表的读数UR、I,填入表1-1。思考:如果电源电压调不到0V,如何测量0V电压下的电流?最好的方法就是不加电源,是不是很简单?表1-1线性电阻伏安特性测量数据U(V)I(mA)02468102.测定非线性白炽灯泡的伏安特性将图1-1中的RL换成一个12V/0.1A灯泡,按表1-2测量。表1-2白炽灯泡伏安特性测量数据U(V)I(mA)3.测量半导体二极管的伏安特性测量二极管正向特性,按图1-3接线,R为限流电阻器(思考:为什么要接电阻R?)。调节输出电压使二极管VD的正向施压UD+可在0~0.75V之间取值,测量出对应的电流,填入表三。表1-3二极管正向特性实验数据UD+(V)I(mA)00.200.400.450.500.550.600.650.700.75024681012测量二极管反向特性,按图1-4接线(图中电压表、电流表所示值为电源电压为-30V时的参考值),调节输出电压从0~-30V,把对应的电流值填入表四中。表1-4二极管反向特性实验数据UD-(V)I(mA)20-5-10-15-20-25-304.测量稳压二极管的伏安特性将图1-3中的二极管换成稳压二极管2CW51(最大电流20mA),按下表测量。表1-5稳压二极管正向特性实验数据UZ+(V)I(mA)00.20.40.450.500.550.600.650.700.75将图4中二极管换成稳压二极管2CW51,调节输出电压,把对应的电流值填入表六表1-6稳压二极管反向特性实验数据UZ...

1、当您付费下载文档后,您只拥有了使用权限,并不意味着购买了版权,文档只能用于自身使用,不得用于其他商业用途(如 [转卖]进行直接盈利或[编辑后售卖]进行间接盈利)。
2、本站所有内容均由合作方或网友上传,本站不对文档的完整性、权威性及其观点立场正确性做任何保证或承诺!文档内容仅供研究参考,付费前请自行鉴别。
3、如文档内容存在违规,或者侵犯商业秘密、侵犯著作权等,请点击“违规举报”。

碎片内容

电工学A试验指导书

您可能关注的文档

确认删除?
VIP
微信客服
  • 扫码咨询
会员Q群
  • 会员专属群点击这里加入QQ群
客服邮箱
回到顶部