地面工程施工工艺流程一、地面工程施工工艺流程二、木工工程施工工艺流程三、墙面装饰施工工艺流程四、油漆涂料施工工艺流程五、吊顶工程装...
检查、整修路槽施工测量放样不同厚度的摊铺碾压试验摊铺(粗平)机具精平压路机碾压检查压实度、平面尺寸和碾压、方式遍数记录报工程师审批...
实习报告题目:模具制造工艺流程姓名:林杰鸿学号:2007307350专业:模具设计与制造班级:07级3班指导教师:肖永康独创性声明本人郑重声明...
附件:地铁车站施工工艺流程标准化要求二〇一四年七月目录一、施工准备1二、临建工程施工..................................................
杰高音响家具有限公司工艺流程图及相关说明与技术指标文件编号生效日期版次页码文件修订栏制订审批批准工艺流程工模下料相关说明技术指标为...
制冷工艺流程:原理:主要由压缩机、冷凝器、储氨器、油分离器、节流阀、氨液分离器、蒸发器、紧急泄氨器、集油器、各种阀门、压力表和高低...
级配碎石调平层施工工艺框图检查、整修路槽施工测量放样不同厚度的摊铺碾压试验摊铺(粗平)机具精平压路机碾压检查压实度、平面尺寸和碾压...
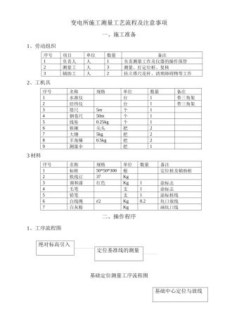
变电所施工测量工艺流程及注意事项一、施工准备1、劳动组织序号项目单位数量备注1负责人人1负责测量工作及仪器的操作保管2测量工人3测量、...
室内装饰施工工艺流程一、地面工程施工工艺流程二、木工工程施工工艺流程三、墙面装饰施工工艺流程四、油漆涂料施工工艺流程五、吊顶工程装...
染整工艺流程绪言第一章染整用水及表面活性剂第二章棉及棉型织物的退浆和精练第三章蚕丝和真丝绸的精练第四章漂白(Bleaching)第五章丝光第...
第九章施工方案、工艺流程第一节主要项目的施工方案1、浆砌块石挡墙及护坡(一)浆砌石挡土墙(1)、材料:施工用石料采用石质色泽均匀,材...
水泥基本知识、工艺流程与质量控制水泥基本知识一、水泥工艺的基本知识。1、水泥的定义:凡是磨成粉末状,加入适量水后,可称为塑性浆体,...
高炉炼铁生产工艺流程简介[导读]:高炉炼铁生产是冶金(钢铁)工业最主要的环节。高炉冶炼是把铁矿石还原成生铁的连续生产过程。铁矿石、焦炭...
2、热轧钢管生产工艺流程2.1一般工艺流程热轧无缝钢管的生产工艺流程包括坯料轧前准备、管坯加热、穿孔、轧制、定减径和钢管冷却、精整等...
糖果生产工艺流程糖果生产工艺流程:领料——化糖——过滤——真空熬制——冷却——加辅料——调和——成型——筛选——内包——成品检验—...
准备下承层施工放样洒水闷料整平轻压整形备料碾压接缝和调头处处理养生材料配合比试验拌和洒水摊铺土摊铺石灰材料配合比试验备料配合比设计...
浙江巨桑家私有限公司ZH/JSJ-03-2007──────────────────────────油漆工艺作业指导书编制生产部审核批准版次:B版...
螁羂薀蒅肀羁芀蚀羆羀莂蒃袂罿蒅虿螈聿膄蒂蚄肈芇蚇肂肇葿蒀羈肆薁螅袄肅芁薈螀肄莃螄蚆肃蒅薆羅膃膅螂袁膂芇薅螇膁莀螀蚃膀薂薃肂腿节蒆羈...
磨漆画制作工艺流程和制作材料一、木工工艺一般漆器漆画家具的用材和生产工艺与其它木器家具生产工艺基本相同。高档漆器漆画产品的框架需采...
化学工艺流程(1)解题思路无机工艺流程题考虑的问题主要有以下几方面:一是选择将原料转化为产品的生产原理;二是除杂并分离提纯产品;三...

