2009年浙江省中等职业学校实训基地机电(机床)类项目设备采购表项目名称:填报学校(加盖公章):负责人签字:申报日期:年月日通讯地址:...
表1机械工业领域国家标准内容摘要汇总表序号名称标准编号标准内容摘要标准化技术归口单位1容积式压缩机验收试验GB/T3853-1998本标准规定了...
第1页共12页编号:时间:2021年x月x日书山有路勤为径,学海无涯苦作舟页码:第1页共12页当前文档修改密码:8362839投标单位(盖章):政...
新设备、工装和试验设备检查清单制定部门:制定日期:年月日规格/型号顾客零件编号问题是否所要求的措施/意见负责部门负责人工装和设备设计...
第1页共40页编号:时间:2021年x月x日书山有路勤为径,学海无涯苦作舟页码:第1页共40页A1(1)、生均校舍建筑面积及绿化面积(1)土地使用证...
建设要求、设备清单一、项目概述为配合常州市区域卫生信息系统二期项目的“一卡一网一中心二级平台五大服务(基层、市民、管理决策、协作、...
网络管理设备及网络改造设备清单表中有★号注明的技术要求,为必满足条件。1、核心交换机招标参数(1台)序号技术规格项目功能及技术指标参...
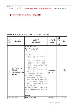
第1页共11页编号:时间:2021年x月x日书山有路勤为径,学海无涯苦作舟页码:第1页共11页第一包数控设备清单设备名称主要技术参数台(套)数...
第AA章-PP08_新增物料/物料清单/工艺/工作中心流程1.流程说明XXXXXXXX2.流程图在流程说明中,需对下面所附的流程图用文字进行简要的解释。...
第1页共5页编号:时间:2021年x月x日书山有路勤为径,学海无涯苦作舟页码:第1页共5页政府采购清单计算机及显示设备[计算机]◇台式计算机(1...
附录C“用于判定医疗器械与安全性有关特征的问题”C.1总则4.2条要求制造商判定那些可能影响安全性的医疗器械的特征。考虑这些特征是4.3所要...
第1页共9页编号:时间:2021年x月x日书山有路勤为径,学海无涯苦作舟页码:第1页共9页中共丽水市委政法委员会招标货物清单及技术要求一、产...
当前文档修改密码:8362839当前文档修改密码:8362839更多资料请访问.(.....)更多企业学院:...../Shop/《中小企业管理全能版》183套...
措施项目清单计价表工程名称:东西湖径河农场(永丰苑)还建小区室外道路排水工程第1页共1页序号项目名称基数说明费率(%)金额(元)1.1排...
化工企业安全生产法律法规清单(标准)安全生产,化工,清单,法规,企业危险化学品管理条例工业产品生产许可证管理办法压力容器使用登记管理规则...
第七章最低设备清单和外形缺损清单第一节两种清单的内容和结构7.1.1最低设备清单的结构主最低设备清单(MMEL)是最低设备清单(MEL)的基础...
实验室仪器设备清单名称生产厂家型号单价(元)数量台件)金额(万元)电泳凝胶成像分析系统南京捷达公司8015300015.3显微荧光数字成像系统...
第1页共4页编号:时间:2021年x月x日书山有路勤为径,学海无涯苦作舟页码:第1页共4页1.**主业务管理流程...................................
第1页共9页编号:时间:2021年x月x日书山有路勤为径,学海无涯苦作舟页码:第1页共9页招标货物清单、质量要求和供货一、技术指标要求1、供...
附件:第一包设备清单序号货物名称技术要求数量1核心三层交换机LAN核心三层交换机及相应模块1台2千兆模块用于华为S30501块3系统集成系统集...

