三级配电、 二级配电箱等漏电保护及施工要求该配电箱(柜)适用于施工现场及户外临时用电,应满足“三级配电、 二级漏电保护、一机一闸、...
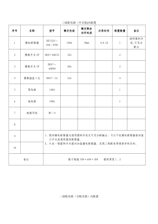
三级配电箱(开关箱)内配置序号名称型号额定电流额定剩余动作电流分段时间配置数量备注1漏电断路器DZ15LE—100/4901100A30mA≤0.1S1透明塑...
信息与电气工程学院课程设计说明书(2025/2025 学年第 一 学期)课程名称 : 建筑供配电及照明课程设计 题 目 : 万方综合大楼建筑...
XX 小区 10kv 配电工程施工组织设计编制单位:编 制:审 核:日 期:年月目 录一、工程概述…………………………………………………...
监 理 规 划 XXXXXX 有限公司年 月 日批准人:审核人:编制人:目 录一、 工程概况;二、 监理工作阶段、内容、范围、目标;三、...
UPS 双母线一体化配电解决方案根据机房的实际情况,配置情况如图 1 所示。图 1 双母线一体化配电方案 配置 4 台容量为 300kVA 的...
NJP3。0 配电自动化系统及配电管理系统1。 产品概述 NJP3.0 配电自动化系统及配电管理系统是正泰电气股份有限公司以最新的自动化配电设...
205 厂项目新建 2#、3#厂房iPDS 智能配电系统技术方案深 圳 市 海 亿 达 电 子 有 限 公 司技 术 支 持 部2025年 3 ...
ICS 备案号:Q/CSG中国南方电网有限责任公司企业标准Q/CSG1203018-2025配电自动化馈线终端技术法律规范Technical specification for fe...
配电房日常记录表检查人: 检查日期 检查项目201 年 月123456789101112131415161718192021222324252627282930311、配电房内是否清洁2、...
中国南方电网广东电网10KV 配电线路接地技术方案广州中光电子科技有限公司”二〇二五二〇二五年十一月”目 录1、前言......................
永 嘉 县 人 民 医 院 供 电 线 路 增 装 项目 工 程 10KV 总 配 电 房 改 造 施 工 方 案 审 批 : 刘 海...
10kV 以下变配电系统安装工程施工工艺(试行本)xx 有限公司2025 年 11 月目 录目 录...............................................
高层建筑供配电系统节能技术设计高层建筑供配电系统节能技术设计 中图分类号:S210.4 文献标识码:A 文章编号: 高层建筑物的结构比较...
作 业 指 导 书工程名称:XX 电 厂 工 程编号:D-04作业项目名称:220KV屋外高压配电装置安装编制单位:XX 项目部(电控施工场地...
第一章 项目简介 第一节 工程概况 一、 工程概况 1、 工程名称:**市 XX 高压变配电工程。 2、 工程地址:**市 XX 路与 XX ...
高低压配电工程管理及技术要求目 录目 录..............................................................................21. 前言......
招 标 文 件招标编号: 招 标 人: XX 饭店 招标内容: 临时供配电设备安装及电缆敷设 招标代理机构: XX 招标中心有限公司 ...
**市政府采购招 标 文 件 采购编号:**号采购项目:第一标段:配电间设备 1 批第二标段:干式变压器 2 台采购单位:**市立医院 **...
检验记录表(隧道通风、照明、消防沿线供配电系统建设项目)机检表-1承包单位: 施工标段 监理单位: 编 号 规格型号出厂编号检验日期...

