第1页共34页编号:时间:2021年x月x日书山有路勤为径,学海无涯苦作舟页码:第1页共34页目录1简介..........................................
第1页共7页编号:时间:2021年x月x日书山有路勤为径,学海无涯苦作舟页码:第1页共7页液压元件的发展状况(一)国内外橡塑密封件行业现状1...
第1页共24页编号:时间:2021年x月x日书山有路勤为径,学海无涯苦作舟页码:第1页共24页液压系统常见故障的诊断及消除方法液压系统常见故障...
1总论1.1项目由来中国已经加入WTO,汽车工业作为国民经济重要支柱产业发展迅速,汽车关键零部件开发制造工业纳入国家鼓励发展产业,作为重...
液压气动元件项目可行性研究报告(立项+批地+贷款)编制单位:北京中投信德国际信息咨询有限公司编制时间:二〇二四二〇二四年十一月咨询师...
第1页共7页编号:时间:2021年x月x日书山有路勤为径,学海无涯苦作舟页码:第1页共7页液压元件的发展状况(一)国内外橡塑密封件行业现状1...
东平东江大桥液压自爬模(木模)施工方案编制:彭绍强审核:吴永杰批准:尹志强东平东江大桥项目经理部2017.04目录一、编制依据................
全国液压系统维修及故障诊断技术培训班目录第一章液压传动基本知识.......................................................................
福利来啦!液压油缸怎么维修?液压油缸怎么更换密封件?液压油缸密封件怎么选?鑫来福厂家订制液压油缸武汉鑫来福液压气动设备有限公司,经...
第1页共8页编号:时间:2021年x月x日书山有路勤为径,学海无涯苦作舟页码:第1页共8页液压技术国内外发展趋势液压技术发展趋势液压技术是实...
第1页共2页编号:时间:2021年x月x日书山有路勤为径,学海无涯苦作舟页码:第1页共2页液压打包机在铝加工行业的应用摘要:鉴于生产中液压打...
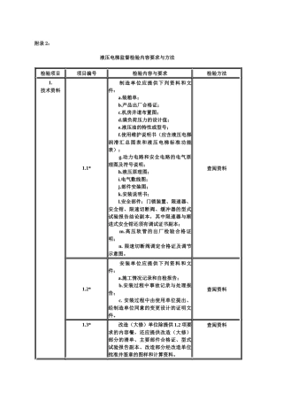
附录2:液压电梯监督检验内容要求与方法检验项目项目编号检验内容与要求检验方法1.技术资料1.1*制造单位应提供下列资料和文件:a.装箱单;b...
液压升降叉车项目可行性研究报告(立项+批地+贷款)编制单位:北京中投信德国际信息咨询有限公司编制时间:二〇二四二〇二四年十一月咨询师...
第1页共24页编号:时间:2021年x月x日书山有路勤为径,学海无涯苦作舟页码:第1页共24页液压系统常见故障的诊断及消除方法液压系统常见故障...
第1页共34页编号:时间:2021年x月x日书山有路勤为径,学海无涯苦作舟页码:第1页共34页目录1简介..........................................
福利来啦!武汉液压油缸维修厂家有哪些?武汉液压油缸维修找哪家?鑫来福厂家订制液压油缸武汉鑫来福液压气动设备有限公司,经过多年的发展...
绩效考核表部门名称白班维修班、液压班、水系统班所属分厂轧钢厂考核者机修工段长考核期考核指标指标定义权重(%)量化标准得分得分依据打...
第一章前言1.1液压传动的发展概况液压传动和气压传动称为流体传动,是根据17世纪帕斯卡提出的液体静压力传动原理而发展起来的一门新兴技术...
起重运输机械设计与制造专业《液压传动》课程设计说明书班级:起机202学号:100125230姓名:费墨斯一、液压传动课程设计的目的1、巩固和深...
北京东四环立交桥钢箱梁液压提升安装施工液压提升钢箱梁一、概述北京东四环编组站立交桥位于北京东部百子湾通惠河一段,跨越东郊铁路编组站...

