下载后可任意编辑钢筋工程施工班组管理制度为加强本工程施工班组施工质量管理力度,提高施工人员在本工程质量方面的控制能力和质量意识,特...
本页为作品封面,下载后可以自由编辑删除,欢迎下载!!! 精 品文档1【精品 word 文档、可以自由编辑!】钢筋工程施工方案一、工程概...
下载后可任意编辑 目 录一、工程概况........................................................21精品 word 文档可以编辑(本页是封面...
下载后可任意编辑钢筋工程施工方案1.材料要求(1)成型钢筋:必须符合配料单的规格、尺寸、形状、数量,并应有加工出厂合格证。(2)钢...
1下载后可任意编辑钢筋工程劳务施工合同甲方:河南豫商宏升建设劳务有限公司 第 127 项目部承建郑州天伦 · 水晶城 5# 楼住宅小区 ...
下载后可任意编辑 固原红宝宾馆·固原红宝西湖丽景苑 2#商住楼1精品 word 文档可以编辑(本页是封面)【最新资料 Word 版 可自由编...
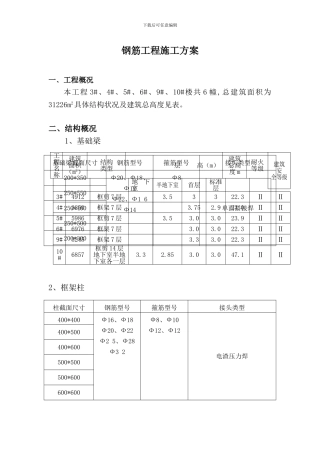
下载后可任意编辑钢筋工程施工方案一﹑工程概况本工程 3#、4#、5#、6#、9#、10#楼共 6 幢,总建筑面积为31226m2具体结构状况及建筑总高度...
下载后可任意编辑新城嘉苑 D1#~8#楼钢筋工程施工方案一、编制依据1、D1#--8#楼施工图纸及设计变更。2、建筑地基基础工程施工质量验收法律...
下载后可任意编辑钢筋工程施工方案一.编制依据1.霍邱铁矿深加工项目办公及生活设施工程 2#服务区图纸2.霍邱铁矿深加工项目办公及生活设施...
第一节、钢筋工程施工方案一、施工准备 (一)技术准备1、对比建筑图和结构图仔细读图和审图,全面领悟设计图的设计意图找出设计图中的差...
下载后可任意编辑綦江区中山路小学改建工程钢筋工程专项方案编制人: 审核人: 重庆市富翔水电建筑安装工程有限公司二〇一二年十月目录下...
8#研发中试楼钢筋工程施工方案编 制:审 核:审 批:西安市秦户建筑总公司 2024 年 10 月下载后可任意编辑目 录 一、编制依据……...
下载后可任意编辑钢筋工程施工方案一、 编制依据(1)金域华府 1#~4#楼工程施工图纸。(2)国家、河南省及郑州市现行技术标准、法律规范...
下载后可任意编辑一.工程概况:工程名称:兴庆区满春花园小区工程;工程建设地点:银川市兴庆区;最高建筑高度:60m;标准层层高:2.9m ;...
下载后可任意编辑鄂尔多斯市职业技术学校 A-5#楼【钢筋施工方案】鄂 尔 多 斯 市 大 华 建 筑 公 司200 9年7月2日 1下载后...
下载后可任意编辑一、工程概况 东郊小学教学楼工程为框架结构,三层 _-m,地上十一层,建筑高度 m,建筑面积 m2。二、编制及施工依据2....
阳光壹佰置业集团产品标准SS100/JB/GC 208-2024 V1.0钢筋工程施工工艺标准200□-□□–□□ 发布 200□-□□–□□ 实施 阳光壹佰置...
下载后可任意编辑钢 筋 工 程 作 业 指 导 书工程正式开工后,各协作队伍按计划从项目经理部物资部门领取工程中所需钢筋,运至施工...
下载后可任意编辑 凤凰.城市花园钢筋工程劳务分包发包方: (以下简称甲方)承包方: (以下简称乙方)依照《中华人民共和国合同法》、...
1下载后可任意编辑钢筋加工及焊接施工作业指导书1、 目的编制钢筋加工及焊接作业指导书的目的就是为了更好的指导施工生产,使现场作业人员...

