常用输送带类型及规格尼龙输送带尼龙是橡胶工业目前所用合成纤维中性能最好的品种之一,其结构经纬向均为锦纶编织,用途最广的品种,它最突出...
完美 WORD 格式常用螺栓的标准及规格表国家标准规定了螺纹规格为 M3〜M64,A 和 B 级的六角头螺栓.A 级用于 D<=24 和L<=10D 或 L...
常用螺栓的标准及规格表国家标准规定了螺纹规格为 M3~M64, A 和 B 级的六角头螺栓.A 级用于 D<=24 和 L<=10D 或卜=15000〔按较小...
order numberChinese NameHeight(cm)Spread(cm)Caliper(cm)QuantityRemarks序号中文名高度〔cm〕冠幅〔cm〕胸径/地径〔cm〕数量备注TREE...
平头铆螺母(FLAT HEAD RIVET NUTS)产品规格SIZEDPQIQDk±0.3K±0.2L±0.3斜接厚度t斜后长度h 〔参考〕N • M3M35.04.97.00.88.50.5〜...
青岛安然工程咨询有限公司 绝缘接头技术规格书 工程编号 13D-126-HB 工艺部分 业主文件号 设计阶段 施工图 第 1 页 共 12 页...
种类32管40管50管75管110管125管160管排水管(A管)壁厚(mm)→2222.33.23.24排水管(B管)壁厚(mm)→--------2.8--3.5螺旋消音管壁厚(mm)→...
上海市嘉定区南翔镇湖畔名邸项目 9 1 1 南地块 给排水系统工程(供应及安装) 技术要求 上海市 嘉定区南翔镇湖畔名邸项目 911 南...
中国石油化工股份有限公司东北油气分公司 技术规格书 井口装置和采油树采购文件 项目编号: 文件编号: 版本:A/0 修订日期:2014.04...
组合钢模板规格(m m ) 平面模板 宽度 300、250、200、150、100 长度 1500、1200、900、750、600、450 肋高 55 阴角模板 宽度...
宽度F内圆直径E长度D内径C1OT1-35.73.113.52OT1-47.44.115.53OT1-595.1174OT1.5-363.1145OT1.5-47.14.115.46OT1.5-59.25.1187OT1.5-610.56....
1 线路设计相关材料的配套规格及计算方法 1. 电缆接头包封选用热缩套管。管道充气电缆用XAGA 型(瑞侃)包封,管道非充气电缆用RSBAF ...
1.DTL 型铜铝接线端子 返回 DTL 系列铜铝接线端子适用于配电装置中各种圆形、半圆扇形铝芯、电力电缆与电气设备铜端的过度连接.使用铝...
线槽规格尺寸
线槽规格和品种以及线缆的敷设 弱电学院---文章分类: 智能建筑 → 技术专栏 ∧上一篇 ∨下一篇 ◎最新发布列表... 双击自动滚屏 ...
SPT 查看联系方式 在线洽谈 详细信息 UL/CSA SPT 平行电源线 复制图片地址 复制网页地址 翻 SVT 查看联系方式 在线洽谈 详细...
线材详细规格
- 1 - 资料收集:刘志斌 编辑:郑潮鑫 试发行时间:2009 年 3 月 18 号 - 2 - 目录 一、电线电缆的基础知识---------------...
U L1007 电子线 Conductor 导体 Insulation 绝缘 AWG SIZE 线号 Section Area(mm2) 标准面积 Construction(NO./mm) 构造 No...
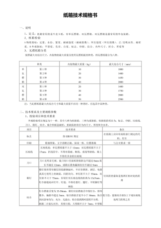
纸 箱 技 术 规 格 书 一、说明 1、定义:纸箱常用的是牛皮卡纸,有单瓦楞箱、双瓦楞箱。双瓦楞箱是最常用的外包装箱。 2、纸箱检...

