刹车片及刹车盘更换流程1. 更换前准备设备1.1新刹车片、刹车盘1.2博世刹车养护包1.3专业工具:刹车泵活塞复位工具、扭力扳手1.4制动钳固定...
有钱买不到刹车片撰写部门:大连物业项目管理部撰写人:梁迪完成时间:2025/09/16关键字:电梯;刹车片;电梯故障;电梯配件摘要:电梯故障...
刹车片项目可行性讨论报告 核心提示:刹车片项目投资环境分析,刹车片项目背景和进展概况,刹车片项目建设的必要性,刹车片行业竞争格局分...
《盘式制动器刹车片的更换》教学设计专业汽车维修课程底盘构造与维修课时2 课时教学对象1542 班一、教材内容分析课程分析:《汽车底盘构...
菲罗多公司于 1897 年在英格兰成立,1897 年,制造出世界第一个刹车片。1995 年,世界原厂装车市场占有率近 50%,产量世界第一。FEROD...
江 苏 科 技 大 学本科毕业设计(论文)学 院 机械工程学院 专 业 机械设计制造及其自动化 学生姓名 张俊杰 学 号 1140202523...
陶 瓷 基 刹 车 片 项 目可行性讨论报告 ××年 月目 录第一章 申报单位及项目概况......................................1第...
第 一 章 申 报 单 位 及 项 目 概 况第 一 节 申 报 单 位 概 况一 、 公 司 概 况本 项 目 的 申 报 单 ...
目 录第 一 章 总 论 ............................................11.1 项 目 背 景 ............................. 11.2 ...
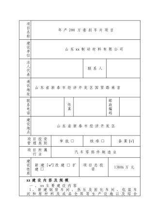
项目名称年 产 200 万 套 刹 车 片 项 目建设单位山 东 xx 制 动 材 料 有 限 公 司法人代表 联 系 人 通讯地址山...
毕业设计(论文)题 目半金属刹车片模压模设计和制造学生姓名: 汪 俊 强 系 别: 材 料 工 程 系 专 业: 模具设计与制造 ...
汽车刹车片维修方案随着汽车的广泛使用,刹车维修已成为了日常维护中最重要的一项。刹车片是刹车系统的重要组件之一,直接关系到车辆的安全...
爪重庆良友汽车维修责任有限公司刹车片及刹车盘更换流程1. 更换前准备设备1.1新刹车片、刹车盘1.2博世刹车养护包1.3专业工具:刹车泵活塞...
汽车盘式刹车片生产工艺汽车盘式刹车片生产工艺一、产品各部分名称如图所示:产品按大类共分两部分:即五金配件部分和粉料部分、五金配件部...
汽车厂家汽车型号发动机排量上市年份前片后片奔 驰 W124/E300.E320D423D335W124/E300、W129D561D620SL280、SL320D561C200、C230D620W124/...
生产汽车刹车片需要哪些材质的原材料? 生产汽车刹车片需要哪些材质的原材料? 摩擦粉 石墨 还原铁粉 白蛭石 轮胎粉(粗颗粒) 紫铜...
汽车刹车片执行标准
日产系列车型/名称位置日产公爵王Y31、SY31、E24、佳奔 新日产皮卡F日产巴宁GC22、Z20F日产蓝鸟右呔U12、U11、P10、W10F日产蓝鸟U13、U14...
12 0 1 1 -2 0 1 5 年中国汽车刹车片行业市场调查及前景预测报告 内容简介 目前,全国共有近800 家刹车片生产企业,其数量比世...
涿州机油三滤刹车片 [省份/地区:河北省] [2011-06-27] 批发零售各车型机油、三滤、刹车片、灯泡、雨刷片,汽车维护保养美容装饰。质量可...

