电脑桌面
添加小米粒文库到电脑桌面
安装后可以在桌面快捷访问

年产200万套刹车片项目可行性研究报告

年产200万套刹车片项目可行性研究报告_第1页
1/65
年产200万套刹车片项目可行性研究报告_第2页
2/65
年产200万套刹车片项目可行性研究报告_第3页
3/65
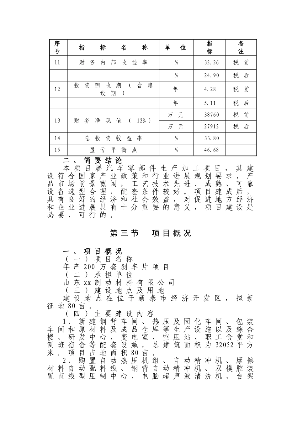
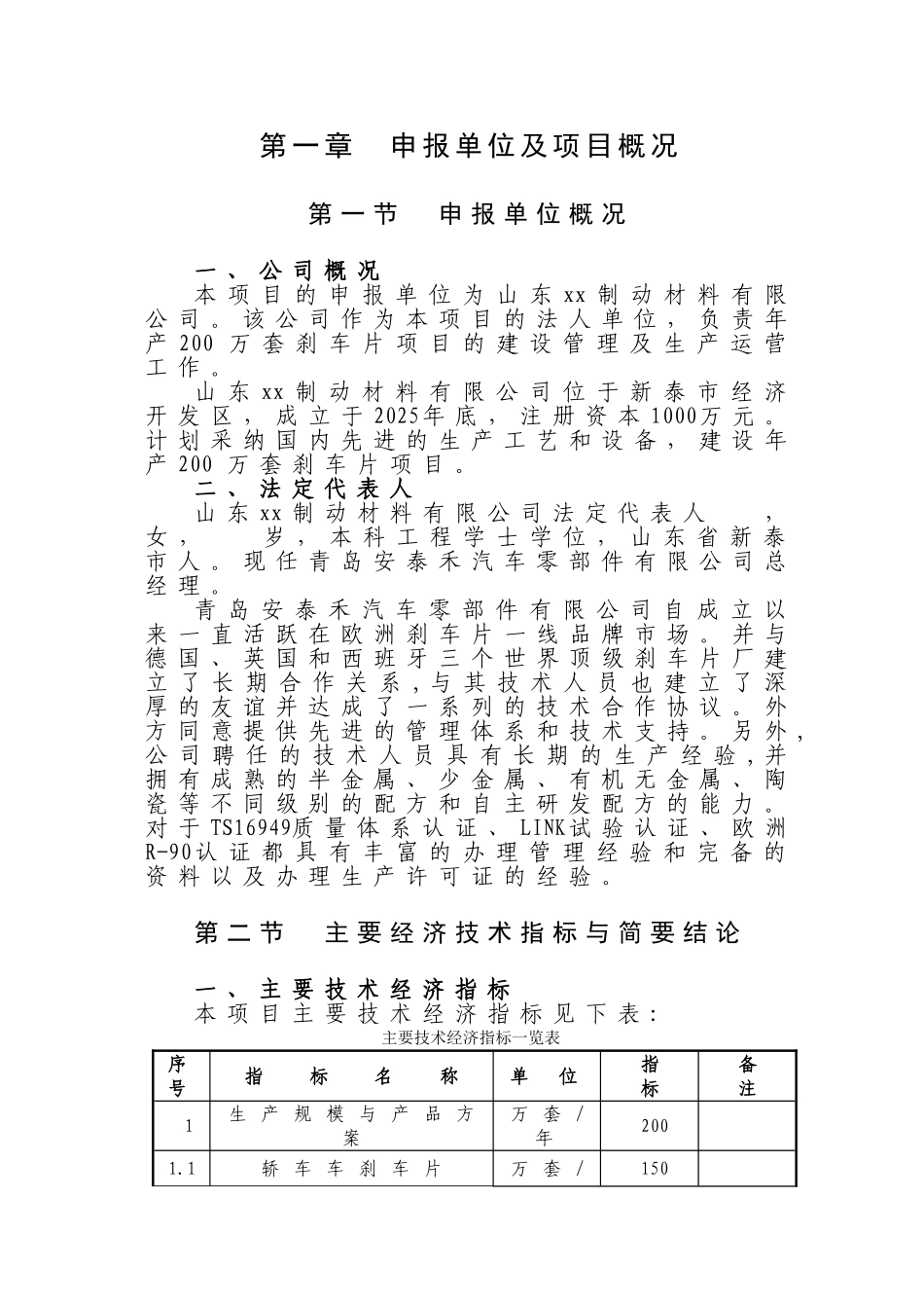
第 一 章 申 报 单 位 及 项 目 概 况第 一 节 申 报 单 位 概 况一 、 公 司 概 况本 项 目 的 申 报 单 位 为 山 东 xx 制 动 材 料 有 限公 司 。 该 公 司 作 为 本 项 目 的 法 人 单 位 , 负 责 年产 200 万 套 刹 车 片 项 目 的 建 设 管 理 及 生 产 运 营工 作 。山 东 xx 制 动 材 料 有 限 公 司 位 于 新 泰 市 经 济开 发 区 , 成 立 于 2025年 底 , 注 册 资 本 1000万 元 。计 划 采 纳 国 内 先 进 的 生 产 工 艺 和 设 备 , 建 设 年产 200 万 套 刹 车 片 项 目 。二 、 法 定 代 表 人山 东 xx 制 动 材 料 有 限 公 司 法 定 代 表 人 ,女 , 岁 , 本 科 工 程 学 士 学 位 , 山 东 省 新 泰市 人 。 现 任 青 岛 安 泰 禾 汽 车 零 部 件 有 限 公 司 总经 理 。青 岛 安 泰 禾 汽 车 零 部 件 有 限 公 司 自 成 立 以来 一 直 活 跃 在 欧 洲 刹 车 片 一 线 品 牌 市 场 。 并 与德 国 、 英 国 和 西 班 牙 三 个 世 界 顶 级 刹 车 片 厂 建立 了 长 期 合 作 关 系 , 与 其 技 术 人 员 也 建 立 了 深厚 的 友 谊 并 达 成 了 一 系 列 的 技 术 合 作 协 议 。 外方 同 意 提 供 先 进 的 管 理 体 系 和 技 术 支 持 。 另 外 ,公 司 聘 任 的 技 术 人 员 具 有 长 期 的 生 产 经 验 , 并拥 有 成 熟 的 半 金 属 、 少 金 属 、 有 机 无 金 属 、 陶瓷 等 不 同 级 别 的 配 方 和 自 主 研 发 配 方 的 能 力 。对 于 TS16949质 量 体 系 认 证 、 LINK试 验 认 证 、 欧 洲R-90认 证 都 具 有 丰 富 的 办 理 管 理 经 验 和 完 备 的资 料 以 及 办 理 生 产 许 可 证 的 经 验 。第 二 节 主 要 经 济 技 术 指 标 与 简 要 结 论一 、 主 要 技 术 经 济 指 标本 项 目 主 要 技 术 经 济 指 标 见 下 表 :主要技术经济指标一览表序号指 标 名 称单 位指 标备 注1生 产 规 模 与 产 品 方案万...

1、当您付费下载文档后,您只拥有了使用权限,并不意味着购买了版权,文档只能用于自身使用,不得用于其他商业用途(如 [转卖]进行直接盈利或[编辑后售卖]进行间接盈利)。
2、本站所有内容均由合作方或网友上传,本站不对文档的完整性、权威性及其观点立场正确性做任何保证或承诺!文档内容仅供研究参考,付费前请自行鉴别。
3、如文档内容存在违规,或者侵犯商业秘密、侵犯著作权等,请点击“违规举报”。

碎片内容

年产200万套刹车片项目可行性研究报告

您可能关注的文档

确认删除?
VIP
微信客服
  • 扫码咨询
会员Q群
  • 会员专属群点击这里加入QQ群
客服邮箱
回到顶部