网络教育学院本科生毕业论文(设计)题目:混凝土结构耐久性浅谈学习中心:福建中国海峡人才市场奥鹏学习中心[24]层次:专科起点本科专业:...
耐久性混凝土的应用与质量控制【摘要】文中主要针对影响混凝土耐久性的一些关键因素及提高混凝土耐久性的措施和质量控制等方面进行分析,从...
混凝土耐久性是指混凝土在满足设计要求的情况下,抵御环境界质的作用,经长年使用而不毁坏的性能。如耐久性不足,就会造成结构不同程度的损...
《混凝土耐久性研究与工程应用手册》作者:编委会出版社:中国科技文化出版社2010年9月出版开本:16开精装册数:四册+1张CD-ROM定价:998元...
耐久性混凝土施工技术控制摘要:混凝土在建筑中用途最广泛、用量也最大的建筑材料之一。多年来,混凝土不断提高其强度来提高混凝土的使用寿...
混凝土性能对结构耐久性与安全性的影响[摘要]由于混凝土从干硬性向塑性转变,离析、沉降与泌水明显加剧,引起匀质性和稳定性下降;由于早强水...
影响混凝土耐久性的因素及其对策研究(07级结构工程冯好涛2110718275)摘要:通过对国内外钢筋混凝土工程耐久性现状的介绍,从混凝土的碳化...
2010届毕业设计(论文)题目:浅析沥青路面的使用性能与耐久性专业:交通土建助学站点:湖南高速铁路职院考籍号:姓名:指导教师:贺常元20...
控制建筑结构外观质量保证混凝土的耐久性混凝土是现今最大宗应用的建筑材料。但是在享受混凝土给我们带来的方便的时候,却不得不面对这样一...
•引言•档案字迹耐久性的影响因素•提高档案字迹耐久性的方法•案例分析CHAPTER背景介绍档案字迹作为历史记录和文化传承的重要载体,其耐...
•混凝土结构耐久性概述•混凝土结构耐久性评估方法•提高混凝土结构耐久性的关键技术•工程实例分析目•混凝土结构耐久性前沿研究动态•总...
混泥土耐久性评估课件•混泥土耐久性评估概述•混泥土耐久性评估方法•混泥土耐久性评估实践•混泥土耐久性评估的挑战与对策•新技术在混泥...
第1页共4页编号:时间:2021年x月x日书山有路勤为径,学海无涯苦作舟页码:第1页共4页第二章纸质档案耐久性——字迹字迹定义:在纸张表面以...
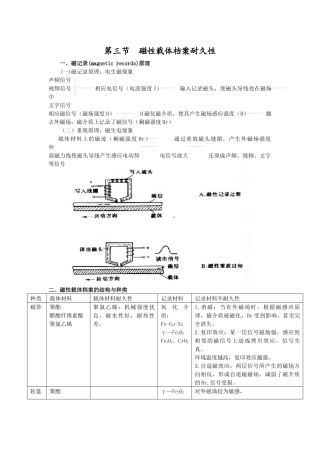
第1页共3页编号:时间:2021年x月x日书山有路勤为径,学海无涯苦作舟页码:第1页共3页第三节磁性载体档案耐久性一、磁记录(magneticrecords...
汽车试验场轻型汽车耐久性试验的研究摘要汽车可靠性的耐久性试验及其研究对企业的产品质量和发展来说是至关重要的。世界上各大汽车制造企业...
第1页共43页编号:时间:2021年x月x日书山有路勤为径,学海无涯苦作舟页码:第1页共43页项目四混凝土结构的适用性和耐久性任务1:挠度和裂...
第1页共43页编号:时间:2021年x月x日书山有路勤为径,学海无涯苦作舟页码:第1页共43页项目四混凝土结构的适用性和耐久性任务1:挠度和裂...
混凝土结构的耐久性课件•引言•混凝土结构耐久性的基本概念•混凝土结构的腐蚀与防护•混凝土结构的裂缝与控制•混凝土结构的冻融与防护•...
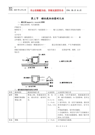
第三节磁性载体档案耐久性一、磁记录(magneticrecords)原理(一)磁记录原理:电生磁现象声频信号视频信号相应电信号(电流强度I)输入记录磁...
关于举办“桥梁安全耐久性与防震减灾学术论坛”的通知各有关单位:随着我国交通建设的快速发展,桥梁建设日新月异,桥梁技术创新和安全耐久...

