工程名称高新区(新市区)集资建房 L 标段交底部位16#、22#、23#住宅楼施工单位中建新疆建工集团第一建筑工程有限公司日期2025 年 9 月...
外墙保温施工方案专项实施性施工方案技术负责人: 日期:2项目经理:日期:25制单位:项目经理部十五日外墙保温施工方案一、概述综合楼外...
亿锋广场二期【尚苑】一标段、喷涂聚氨酯硬泡外墙保温施工方案编制;程宏刚 审核;李伟大连北展房屋修缮工程有限公司 二零一四年九月一日目...
工程名称:济南建材工业集团 10 万 M3加气 混凝土砌块车间××××节能保温工程监理实施细则 济南市建设监理有限公司 JINAN MUNICIP...
外墙保温承包合同 外墙保温承包合同 发包人(全称): 承包人(全称):深圳市建愿建*轻质板材有限公司 依照《民法典》、《中华人民共...
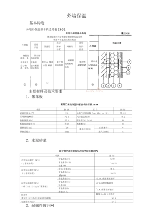
基本构造外墙外保温基本构造见表 23-35.1、聚苯板聚萧乙烯泡沫塑料板技术指标表 23-39项目指 插项 目指 标表观密度(kg/™5>18水蒸气透...
外墙保温方案外墙保温施工方案一、工程简介1、工程名称:XXX 13#、14#楼工程外墙保温工程保温层结构及内容:2、1)保温层:外墙粘贴 1mm ...
1 EP S外墙保温施工工艺 1、 1 原材料要求: 1、 1、 1 进入施工场地得原材料必须有出厂合格证或化验单。 1、1、 2 聚苯乙烯...
外墙保温工程施工组织措施为确保外墙保温施工工程按期完成并达到工程质量标准,依据国家有关外墙保温技术规程与施工法律规范,结合该工程实...
外墙保温工程分包合同发包方(甲方):陕西龙海工程建设有限公司承包方(乙方):根据《中华人民共和国合同法》、《中华人民共和国建筑法》...
外墙保温工程专项施工方案一、 编制依据:1、百悦•星城 8#楼、15#楼、7#楼、21#楼、会所、综合楼工程施工图纸。2、本工程安全施工组织设...
外墙保温工程施工方案外墙墙面施工做法外墙为玻璃幕墙和金属幕墙,首先为抹灰,中间为 50 厚岩棉板保温层。A.抹灰层的做法1. 材料要求:...
外墙保温安全施工责任书甲方:吉林省松苑建筑工程有限责任公司乙方:根据(建设工程安全生产管理条例)及甲乙双方签定得施工合同,乙方就所承包...
外墙保温工程施工方案15.1 设计要求粘帖挤塑聚苯板薄抹灰保温面砖(涂料)外墙1)外墙弹性涂料或柔性面砖。2)刷弹性底涂,刮柔性腻子。3...
外墙保温及真石漆技术交底一、施工准备 1、材料要求聚苯板(65mm 厚密度为 18 -20kg/m³,燃烧性能级别为 B1 级)、聚合物砂浆、耐碱...
外墙保温施工方案一、工程概况:采纳 60 厚挤塑聚苯板为保温隔热材料,以粘、钉结合方式与墙身固定,抗裂砂浆复合耐碱玻纤网格布及镀锌钢...
一、编制依据及工程概况1、编制依据序号名称编号备注1检测及办公用房工程施工图纸建施 01-122检测及办公用房施工组织设计3建筑节能工程施...
外墙保温安全施工方案一、工程概况济 宁 市 任 城 区 李 营 镇 骆 楼 旧 村 改 造 6# 回 迁 楼 , 位 于 新 三 二...
廊坊庆飞保温材料有限公司推举的保温系统外墙保温防火隔离带基本知识根据目前的标准指为阻止保温火灾大面积燃烧的防火隔离带 或者 A 级...
外墙保温安全教育培训内容随着建筑施工机械化水平的不断提高,对当代建筑行业的从业人员,尤其是建筑机械的安装、操作人员的素养要求也在相...

