软水工安全规程1值班操作人员要熟悉和掌握本室设备结构性能和操作规程,经考试合格后方准独立操作,值班操作人员要认真填写运行记录。2值班...
检修部水工观测B岗职务说明书岗位名称检修部水工观测B岗岗位编号所在部门检修部水工分部岗位定员直接上级主管、副主管工资等级直接下级薪酬...
、检修部水工观测专责职务说明书岗位名称检修部水工观测专责岗位编号所在部门检修部水工分部岗位定员直接上级主管、副主管工资等级直接下级...
水工建筑安全监测试题一、填空题(30分,每空1.5分)1、仪器观测的项目包括、、及、和等。2、土坝的巡视检查工作分为、、和等4项。3、土石...
检修部水工维护A岗职务说明书岗位名称检修部水工维护A岗岗位编号所在部门检修部水工分部岗位定员直接上级主管、副主管工资等级直接下级B岗...
第1页共5页编号:时间:2021年x月x日书山有路勤为径,学海无涯苦作舟页码:第1页共5页检修部水工观测B岗职务说明书岗位名称检修部水工观测B...
第1页共5页编号:时间:2021年x月x日书山有路勤为径,学海无涯苦作舟页码:第1页共5页检修部水工观测A岗职务说明书岗位名称检修部水工观测A...
打眼注水工安全生产责任制负责综采工作面煤壁的打眼注水工作,安全生产职责如下:一、遵守安全生产规章制度、操作规程和生产安全事故应急救...
第1页共5页编号:时间:2021年x月x日书山有路勤为径,学海无涯苦作舟页码:第1页共5页检修部水工分部主管职务说明书岗位名称检修部水工分部...
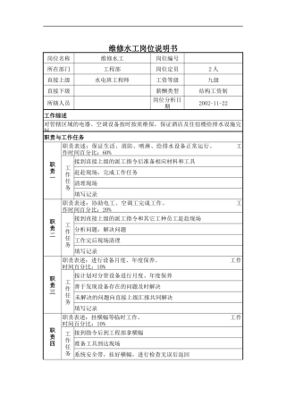
维修水工岗位说明书岗位名称维修水工岗位编号所在部门工程部岗位定员2人直接上级水电班工程师工资等级九级直接下级薪酬类型结构工资制所辖...
第1页共5页编号:时间:2021年x月x日书山有路勤为径,学海无涯苦作舟页码:第1页共5页检修部水工分部副主管职务说明书岗位名称检修部水工分...
第1页共7页编号:_____水工085班团支部2024年汇报总结学校:_________教师:_____________年___月___日(此文内容仅供参考,可自行修改)水...
第1页共3页编号:时间:2021年x月x日书山有路勤为径,学海无涯苦作舟页码:第1页共3页页局情概况工作动态行业管理政策法规党的建设专题报道...
安全生产水工专业技术监督工作总结一、计划完成情况(截止5月31日)水工专业全年共7项工作,按计划本月应完成0项,实际完成0项,完成率100%...
配水工职位说明书基本情况职位名称配水工职位编号30520所属单位炼钢厂所属部门连铸车间所属班组铸机组直接上级职位精整班长职位设置目的负...
检修部水工观测A岗职务说明书岗位名称检修部水工观测A岗岗位编号所在部门检修部水工分部岗位定员直接上级主管、副主管工资等级直接下级观测...
第1页共5页编号:时间:2021年x月x日书山有路勤为径,学海无涯苦作舟页码:第1页共5页检修部水工维护A岗职务说明书岗位名称检修部水工维护A...
泥水工上班滑倒工伤赔偿谁承担20xx年3月,外来务工人员周某到市区某建设工程有限公司承建的某项目工地做泥水工。当年9月3日,周某在工地做...
检修部水工维护B岗职务说明书岗位名称检修部水工维护B岗岗位编号所在部门检修部水工分部岗位定员直接上级主管、副主管工资等级直接下级薪酬...
综合供水工安全试题单位:姓名:分数:一、填空题:(40分每题1分)1、上班时劳保护品穿戴(),女工长发()。2、开泵前认真检查,泵周围...

