田径运动员技术等级标准(男子)国际级运动健将运动健将一级二级三级少年级100m手计------11.512.413.0电计10.2810.6010.9311.7412.6413.2420...
XX医院信息系统等级保护安全建设整改方案2024年11月目录1方案概述........................................................................
1信息系统安全等级保护定级指南为宣贯《信息系统安全等级保护定级指南》(以下简称《定级指南》)国家标准,由标准起草人介绍标准制、修订...
田径运动员技术等级标准男子:等级标准项目国际级运动健将运动健将一级运动员二级运动员三级运动员100米手计---11.512.4电计10.2510.501...
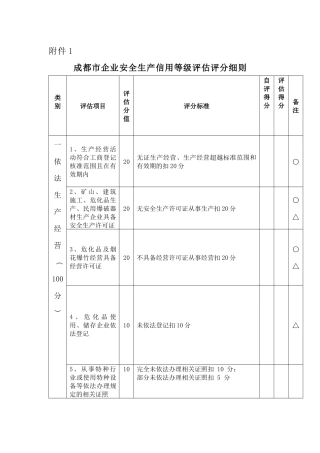
附件1成都市企业安全生产信用等级评估评分细则类别评估项目评估分值评分标准自评得分评估得分备注一依法生产经营︵100分︶1、生产经营活动...
医疗机构信息系统安全等级保护基本要求上海市卫生局信息中心上海市信息安全测评认证中心二〇〇八年十月目录1前言............................
XX县区医院等级评审实施方案[五篇材料]第一篇:XX县区医院等级评审实施方案XX县区医院等级评审实施方案医院等级划分标准,是我国依据医院功...
广东省信息安全等级测评机构备案目录(差距评估机构)根据公安部十一局和《关于明确信息安全等级保护测评机构管理有关事项的通知》(广公(...
更多资料请访问.(.....)更多企业学院:...../Shop/《中小企业管理全能版》183套讲座+89700份资料...../Shop/40.shtml《总经理、高层管理...
Xx信息安全等级保护(三级)建设方案目录1.前言.....................................................................31.1概述............
迎接三级医院等级评审表态发言尊敬的各位领导同志们:2017年新春伊始,我们即将迎来我院等级评审的关键时刻,创建三级医院是一项系统工程,...
等级医院评审动员大会发言稿脚踏实地,办人民满意的二级精品医院——关于《二级综合医院评审标准(2012年版)》的解读关键词:评审标准;“...
附2:教育系统岗位廉政风险点及风险等级划分表单位名称:学校岗位类别党、政管理单位职务党委书记、校长岗位职责1、主持学校党委工作2、行...
信息安全等级保护安全整改方案xxx公司20xx年x月工作项目清单序号工作项目数量(人天)单价总价备注1物理安全差距分析2主机安全差距分析3网...
第1页共9页编号:时间:2021年x月x日书山有路勤为径,学海无涯苦作舟页码:第1页共9页文物系统博物馆风险等级和安全防护级别的规定[2008-10...
目录管理制度篇一、医疗设备购置论证制度二、医疗设备更新制度三、医疗设备日常管理制度四、医疗设备使用维护保养制度五、医疗设备安全保管...
报告编号:(-16-1303-01)信息系统安全等级测评报告说明:一、每个备案信息系统单独出具测评报告。二、测评报告编号为四组数据。各组含义...
xxxxxx信息安全等级保护(三级)建设项目设计方案二〇一八年二月文档控制文档名称:xxxxxx信息安全等保保护建设(三级)设计方案提交方xxxx...
..成都市商务写字楼等级划分1范围本标准规定了商务写字楼(以下简称写字楼)的术语和定义、总则以及等级划分的依据和要求。本标准适用于成...
第1页共74页编号:时间:2021年x月x日书山有路勤为径,学海无涯苦作舟页码:第1页共74页2012年招标代理综合等级评定练习题无锡市建设工程网...

