序号钢筋分钢筋分类直径图例长度1长度2长度3效果单根长净距间距根数构件数1二层板 0P1eP1#NAME?P11.1横向1.1.1Part1#NAME?#NAME?51板上皮...
序号定额编号分项工程名称单位数量#NAME?#NAME?#NAME?#NAME?工程量计算工程名称:编制单位:益阳市五环建筑工程有限公司编制人:第1页 共1...
预算部分预算部分预算部分#NAME?#NAME?#NAME?#NAME?#NAME?#NAME?#NAME?#NAME?#NAME?#NAME?#NAME?#NAME?#NAME?#NAME?#NAME?#NAME?#NAME?#NAM...
1 2 3 4 5 6 7 8 9 10 11 12 13 14 15 16 17 18 19 20 21 22 23 24 25 26 27 28 29 30 31 32 33 34 35...
序号项目名称计算式单位工程量位置备注项目名称:工程量计算稿
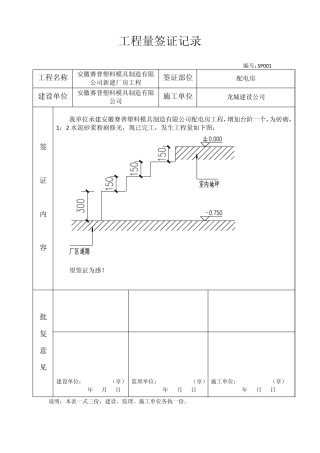
工程量签证记录 编号:SP001 工程名称 安徽赛普塑料模具制造有限公司新建厂房工程 签证部位 配电房 建设单位 安徽赛普塑料模具制造...
工程量签证单及材料单价确认单 工程名称:新建贺兰人民医院净化层流手术室二次装修工程 编号: 致:贺兰县卫生和人口计划生育局(建设单...
工程量签订单 工程名称 汪家岭社区住宿楼亮化工程 分部分项工程名称 楼梯间亮化工程 图 号 签证编号 01 三区20栋 生活11栋(一个...
精心整理 工 程 量 确 认 表 编号:RD-XXYK-2012-03 工程名称 新巴尔虎右旗荣达矿业有限责任公司选矿厂技术改造工程 分项工程...
1 / 8 工 程 量 认 证 单 工 程 项 目 名 称 滨 江 嘉 园 二 期 四 五 区 室 外 消 防 工 程 施 工 日 ...
工 程 量 确 认 单 工程名称 创业城居住小区工程16-2 楼 施工单位 中太建设集团创业城第五项目部 工程部位 给水、排水、采暖出...
第二课工程量的计算方法 造价=(材料单价+人工单价)*工程量 报价=造价+利润 一、 拆除墙砖 计算方法:按立面面积计算、门窗洞口减半(是...
工程量清单项目特征描述指南
工程量现场收方单 工 程 名 称 綦 江 区 三江 四级站高位水池围墙工 程 工 程 部位 挡土墙 工 程 内 容 建设单位 施工...
工程量清单题库 单选题 1、根据《建设工程工程量清单计价规范》中的规定,工程量清单项目编码的第四级表示(D)。 A)分类码 B)章顺序...
专业工程 章顺序码章顺序码 节顺序码项目名称 清单项目码001平整场地002挖土方003挖基础土方004挖冻土方005挖淤泥、流沙006管沟土方001...
项目编码项目名称项目特征31101001蓄电池组规格 型号 电压 容量31101002太阳能电池规格 型号 容量31101003风力发电机规格 型号 容量...
工程量清单项目编码结构 030208004XXX 03:第一级工程分类码,01 建筑工程,02 装饰装修工程,03 安装工程 02:第二级专业工程顺序码...
项目编码项目名称项目特征计量单位1.找平层厚度、砂浆配合比2.防水层厚度、材料种类3.面层厚度、砂浆配合比1.找平层厚度、砂浆配合比2.防水...
工程量清单项目编码 专业工程 章顺序码 分部工程 节顺序码 项目名称 清单项目码 清单项目编码顺序码 0 1 0 1 土石方工程 0 1...

