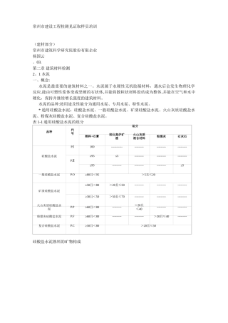
常州市建设工程检测见证取样员培训(建材部分) 常州市建筑科学研究院股份有限企业杨国云。03.第二章 建筑材料检测2。1 水泥一、概念:水...
见证取样计划书(结构部分) 一、 工程概况 合肥经济技术开发区污水处理厂污泥处理工程,本工程位于合肥市经开区污水厂内,建筑总面积为...
序 号 试验项目 取样频率 取样方法 取样部位 单 位 数 量 取样尺寸 依据标准 1 直条 钢筋 抗拉 1、按牌号、炉罐号、交货状...
序号工程部位规格单位工程数量见证送检数量(组)备注一桥梁工程桩基部分51钢筋Ф 25T97.75722钢筋Ф 20T4.61313钢筋Ф 16T1.66414钢筋...
监理合同编号: 监理项目编号: aaaa 工程 见证取样和送检计划 浙江省qqq 有限公司 aaaa 工程项目监理部 2 0 0 8 年 5 月 ...
1 武 汉 杨 春 湖 畔 二 期 三标段工程 检 验 试 验 计 划 编 制 人 :_ _ _ _ _ _ _ 审 核 人 :_...
精品文档---下载后可任意编辑简版律师见证委托合同范本 律师见证业务随我国的改革开放被引入后曾获得较快进展。那么律师见证委托合同要怎...
精品文档---下载后可任意编辑简单律师见证委托合同最新 简单律师见证委托合同 1 甲方: 乙方: 甲方因与_责任纠纷一案,委托乙方办理...
0 鑫苑雅居 8 #-9 #-1 0 #楼 材 料 验 收 见 证 取 样 制 度 编制: 审核: 陕西耀州建筑工程公司鑫苑雅居项目部 二零...
6.2.4 材料见证记录 表 B-14 资料编号 工程名称 试件名称 生产厂家 试件品种 材料出厂编号 试件规格型号 材料进场时间 材料进...
现场原材料见证取样相关规定 1 、水泥 GB50204-2002《混凝土结构工程质量验收规范》第 7.2 条、GB175-2007《通用硅酸盐水泥》 ⑴检测...
贵州工商职业学院项目工程 贵州建工监理咨洵有限公司 建筑施工之材料试验与结构检验 材料试验 材料试验项目及检验规则 建筑工程施工中...
材料见证取样方案 第 1 页 共 7 页 材料见证取样方案 材料名称 取样批量 取样数量 取样方法 水泥 同品种标号的水泥 400t为一...
2.0.2 检验 inspection 对被检验项目的特征、性能进行量测、检查、试验等,并将 结果与标准规定的要求进行比较,以确定项目每项性能是...
精品文档---下载后可任意编辑现场原材料见证取样相关规定1、水泥[GB 50204-2024(2024 版)]《混凝土结构工程质量验收法律法律规范》第条...
篇一:见证取样员培训心得见证取样员培训学习心得本人于××年××月××日至××日在×××参与了××年××检测见证取样员旳学习与培训,...
山东倍德工程咨询 奥特莱斯工程监理部 见证取样制度 编制人: 时间: 年 月 日审批人: 时间: 年 月 日热情效劳 严格监理严格...
精品文档---下载后可任意编辑最新版律师见证委托合同 律师见证委托合同 1 甲方: 乙方: 甲方因与__责任纠纷一案,委托乙方办理,经双...
精品文档---下载后可任意编辑最新律师见证委托合同范本 律师见证委托合同范文 1 甲方 : 身份证号: 住址: 电话: 乙方: 地址:...
精品文档---下载后可任意编辑抗疫《见证》心得感悟抗疫《见证》心得感悟一他们与我们素不相识,他们兢兢业业,为救生命奋不顾身,我们可能...

