本科生毕业设计任务书(工科及部分理科专业使用)题目:锂电池保护电路的设计题目来源:□省部级以上□校级□横向□自选题目性质:□理论研...
锂电池正极材料行业调研报告二〇一六年七月1目录一、锂电池正极材料技术发展现状及趋势..............................2(一)锂电池正极材...
锂电池行业分析报告目录:一、电池产业概况1、电池分类2、电池性能比较3、电池产业发展现状4、电池产业发展趋势、二、锂电池相关概况1、锂...
锂电池的正确使用和保养方法2————————————————————————————————作者:————————————————...
|NONE锂电池基本原理设计性能培训讲义1目录一、对于更高能量密度电源的需求是推动电池快速发展的动力二、锂电池的基本原理三、锂电池中的活...
品质工作的5W2H的含义What什么why为什么Who谁Where在哪里When什么时候How怎么做Howmuch成本多少--[转]锂离子电池基础知识-锂离子电池原理及...
个人收集整理-ZQ1/6序号更改前章节条款内容更改后章节条款内容更改后版本提出人批准人生效日期全页次全版更新熊佳敏蔡大军检验项目更新个人...
最新资料欢迎阅读1锂电池安全测试项目方案目前针对锂离子电池的安全检测标准在不断的更新中,但其基本安全检测模式已经成型,各种常见的检...
版权版权?2013诺希电子产品本使用说明书受国际版权法保护。NOHON?手机锂电池用户使用说明书2感谢您购买及使用NOHON?手机锂电池加强版电池标...
1,环保性,锂电池没有污染(不绝对),而铅酸电池有重金属铅的污染2,安全性,动力型锂电池(锰酸锂、磷酸铁锂)材料不同安全性有所差别,...
锂电池的梯次利用和回收主要基于环境保护、资源节省、有利可图三个方面:环境保护:锂电池的正极材料里包含镍、钴、锰、锂等重金属元素,这...
人造石墨锂电池负极材料在动力电池的应用精选文档课件•人造石墨锂电池负极材料简介•人造石墨锂电池负极材料的优势•人造石墨锂电池负极材...
2024年锂电池管理制度(3篇)目录第1篇民航锂电池管理规定办法第2篇锂电池管理规定办法第3篇锂电池仓库管理规定办法民航锂电池管理规定办法民...
磷酸铁锂电池在通信行业中的节能减排应用磷酸铁锂电池(简称:铁锂电池、铁电池,本文称“铁电池”),是一种正极材料为磷酸亚铁锂(LiFePO4)...
年产值3000万锂离子电池pack生产线项目可行性研究报告编制:审核:批准:日期:2015-4-101.总论1.1项目名称年产3000万元锂电pack生产线项目...
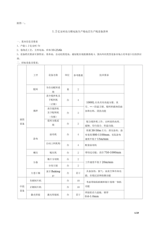
1/29附件一:1.2亿安时动力锂电池生产线电芯生产线设备清单一、基本信息及要求1、产能1.2亿安时/年2、卷绕式工艺,方形电池,单体10-25Ah3...
项目名称聚合物锂电池新能源项目类型方型中小聚及圆柱电子烟类锂电池名称产能容量倍率循环充电时长使用时长方型中小聚合物电池3万支/天500m...
2021年中国锂电池负极材料行业相关政策汇总根据国民经济行业分类(GB/T4754-2017)的行业划分,锂电池负极材料行业为“非金属矿物制品业(...
宁波纯INingboChemicallndustry2014:~flflfl勘【专论综述】原位XRD在锂电池电极材料测试中的应用肖索,张子良,刘松杭(上海大学环境与化学...
锂电池发展简介锂离子电池是一种充电电池,它主要依靠锂离子在正极和负极之间移动来工作。在充放电过程中,Li+在两个电极之间往返嵌入和脱...

