储能用磷酸铁锂电池循环寿命的能量分析通过对储能用磷酸铁锂电池不同放电深度(40%DOD~100%DOD)的循环测试,考察电池在此期间累积的转移能...
杭州金色能源科技有限公司年产5600万安时聚合物锂电池项目环境影响报告书(报批稿)浙江工业大学ZHEJIANGUNIVERSITYOFTECHUANOLOGY国环评证...
第1页共10页编号:时间:2021年x月x日书山有路勤为径,学海无涯苦作舟页码:第1页共10页锂电池简介:随着世界可再生能源的日益紧缺,锂离子...
全国磷酸铁锂电池生产厂商目录
第1页1.锂海水电池常用在海上浮标等助航设备中,其示意图如图所示。电池反应为2Li+2H2O===2LiOH+H2↑。电池工作时,下列说法错误的是()A...
年产150万件锂电池正极材料匣钵项目环境影响报告表(报批稿)环评单位:湖南景玺环保科技有限公司[环境影响评价证书:国环评证乙字第2710号...
2016-2022年中国锂电池电解液行业市场分析及发展策略咨询报告中国产业研究报告网什么是行业研究报告行业研究是通过深入研究某一行业发展动...
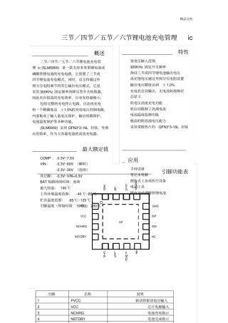
精品文档.三节/四节/五节/六节锂电池充电管理ic____________________概述三节/四节/五节/六节锂电池充电管理ic(SLM6900)是一款支持多...
四大锂电池材料分析一、锂电池材料组成正极材料负极材料隔膜电解液锂电池正极材料、负极材料、隔膜、电解液是锂电池最主要的原材料,占整个...
锂电池销售代理合同合同编号:甲乙双方就乙方代理销售甲方的产品事宜,经友好协商,双方达成并同意遵照以下条款:一、代理销售授权1.甲方授...
锂电池型号规格有几种电池的型号规格有几种?要说到底有几种,其实是说不清的,因为每个电池生产厂家都有自己的型号规格,更有一些定制类的...
锂电池安全标准IEC62133ed.21目录绝缘和布线测试........................................................................................
开题报告1研究背景及意义锂离子电池是20世纪90年代出现的绿色高能环保电池,具有比功率高、能量密度大、工作电压高、重量轻、体积小、无毒...
qtekc锂电池性能测试方法锂电池是一个要求高品质、高安全的产品、消费者在使用时往往不清楚电池的性能,导致在使用时电池的效率往往达不到...
2025年磷酸铁锂电池在电动叉车中的应用趋势分析一、电动叉车销量叉车是工业搬运车辆,是指对成件托盘货物进行装卸、堆垛和短距离运输作业的...
专业合同封面COUNTRACTCOVER20XXPERSONALRESUME甲方:XXX乙方:XXX2024年定制锂电池订购协议细则一本合同目录一览第一条:定义与术语解释1....
锂电池生产工艺流程PartAPartA:叠片工艺的主要工艺流程介绍:叠片工艺的主要工艺流程介绍叠片工艺是将正极、负极切成小片与隔离膜叠合成小...
关于手机锂电池充电的知识深入剖析2009-02-0115:16目前的手机基本上所配电池都是锂离子电池,所以我下面所讲的是针对锂离子电池的充电知识...
Confidential18650锂电池组装线130PPM入壳机卡托杯故障分析报告2018-09-25Confidential2017-12-20目录一、事故发生二、原因分析三、措施及...
主要内容锂离子电池中水的来源水对电池的性能影响抑制水的负面作用的几个途径锂盐/水的稳定剂研究新型组合稳定剂的开发结论水...

