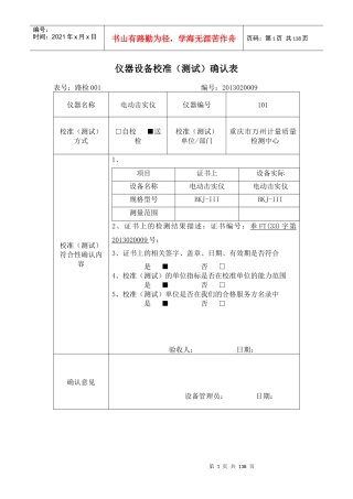
第1页共138页编号:时间:2021年x月x日书山有路勤为径,学海无涯苦作舟页码:第1页共138页仪器设备校准(测试)确认表表号:路检001编号:2...
第1页共18页编号:时间:2021年x月x日书山有路勤为径,学海无涯苦作舟页码:第1页共18页一般仪器设备化验室常用玻璃仪器的洗涤和干燥微生物...
电热恒温鼓风干燥箱(智能型带定时)深圳市必利优检测技术有限公司ShenzhenTechnologyCo.,Ltd.willfacilitateoptimaldetection使用说明书BY...
第1页共3页编号:时间:2021年x月x日书山有路勤为径,学海无涯苦作舟页码:第1页共3页山东大学贵重仪器设备验收记录到货编号________仪器设...
第1页共16页编号:时间:2021年x月x日书山有路勤为径,学海无涯苦作舟页码:第1页共16页水泗小学教学仪器设备报损报告单学科_科学_编号名称...
第1页共5页编号:时间:2021年x月x日书山有路勤为径,学海无涯苦作舟页码:第1页共5页山东商务职业学院仪器设备验收单使用部门:年月日仪器...
第1页共51页编号:时间:2021年x月x日书山有路勤为径,学海无涯苦作舟页码:第1页共51页第二部分检测仪器设备操作规程第2页共51页第1页共51...
第1页共34页编号:时间:2021年x月x日书山有路勤为径,学海无涯苦作舟页码:第1页共34页公路工程试验检测仪器设备校准指南常用非强检设备校...
汽车检测仪器设备期间核查操作规程编制:实施:第1页共138页目录1目的……………………………………………………………………42范围………...
第4页共39页编号:时间:2021年x月x日书山有路勤为径,学海无涯苦作舟页码:第4页共39页连平二院检验科仪器设备档案设备名称生化分析仪设备...
第1页共138页编号:时间:2021年x月x日书山有路勤为径,学海无涯苦作舟页码:第1页共138页仪器设备校准(测试)确认表表号:路检001编号:2...
仪器设备校准规程目录一、压碎指标值测定仪校准ZJ-01二、工作温度计校准ZJ-02三、坍落度筒校准ZJ-03四、洛杉矶磨耗试验机自校ZJ-04五、灌砂...
第1页共55页编号:时间:2021年x月x日书山有路勤为径,学海无涯苦作舟页码:第1页共55页水泥抗压夹具校验记录TGX008-2001送检单位_________...
第1页共11页编号:时间:2021年x月x日书山有路勤为径,学海无涯苦作舟页码:第1页共11页汽车检测与维修专业实验室仪器设备采购清单技术参数...
第1页共32页编号:时间:2021年x月x日书山有路勤为径,学海无涯苦作舟页码:第1页共32页一、小学教学仪器设备技术参数编号名称要求单位总数...
第1页共3页编号:时间:2021年x月x日书山有路勤为径,学海无涯苦作舟页码:第1页共3页附件5-1无缝气瓶定期检验(PD1)设备、仪器、检验工...
科学仪器设备分类表在国家科技基础条件平台建设中,科学仪器设备资源分为分析仪器、物理性能测试仪器、计量仪器、电子测量仪器、海洋仪器、...
ICSY51备案号中华人民共和国教育行业标准JY/T0402-2008计算机应用与软件技术专业仪器设备配备标准2008-12-30发布2009-03-01实施中华人...
仪器设备校准规程目录一、压碎指标值测定仪校准ZJ-01二、工作温度计校准ZJ-02三、坍落度筒校准ZJ-03四、洛杉矶磨耗试验机自校ZJ-04五、灌砂...
第1页共7页编号:时间:2021年x月x日书山有路勤为径,学海无涯苦作舟页码:第1页共7页更多企业学院:《中小企业管理全能版》183套讲座+89...

