下载后可任意编辑物流—危险品说明书12024 年 4 月 19 日下载后可任意编辑物流—危险品说明书危险货物说明书Description For Danger...
下载后可任意编辑机场危险品运输管理法律规范手册12024 年 6 月 23 日下载后可任意编辑舟 山 普 陀 山 机 场危 险 品 运 输...
下载后可任意编辑易燃易爆危险品库管理规程1下载后可任意编辑易燃、 易爆、 危险品库管理规程目的建立危险品库管理程序, 使危险品管理法...
下载后可任意编辑易燃易爆危险品的管理规定12024 年 4 月 19 日下载后可任意编辑易燃、易爆危险品的管理及使用制度批准审核: 编写:...
1 疑似危险品列表版本: 100122 大类疑似危险品品名、由货主如实申报、需要进一步识别。带水字边活性碳、油类、涂料、染料、湿棉花、分...
危险品安全管理制度 为了认真贯彻落实《国家危险品安全管理条例》,特制定如下管理制度: 一、本规定所指的危险化学品包括。爆炸品、易燃...
下载后可任意编辑徐庄实验小学实验室安全防护危险品管理规定1.目的与适用范围为了加强危险化学品的安全管理, 预防和减少危险化学品事故, ...
下载后可任意编辑( 十六) 实验室化学危险品溢出与暴露应急预案 1.总则1.1 编制目的: 为积极应对可能发生的危险化学品事故, 迅速、 ...
下载后可任意编辑 安康杯货运部危险品运输实地应急演练活动方案为加强重大突发事故处理的综合指挥能力, 提高应急救援反应速度和协调水平,...
下载后可任意编辑发电部化验室危险品综合管理制度12024 年 5 月 29 日下载后可任意编辑 大唐连城发电厂发电部化验室危险品综合管理制...
下载后可任意编辑危险品运输承包经营合同背景作为物流行业的一部分,危险品运输需要严格遵守法规,并实行有效的安全措施以保障公众的安全。...
下载后可任意编辑危险品运输车辆的远程定位跟踪监控系统解决方案12024 年 4 月 19 日下载后可任意编辑 危险品运输车辆的远程定位跟踪...
化验室化学危险品管理制度 1.目的 为了加强化学危险品的储存和使用的管理,预防和应急火灾、爆炸的发生,特制定本制度。 2.适用范围 本...
1 化学危险品管理持续改进 1、定义 化学危险品事故是指一种或多种化学危险品或其能量意外释放造成的人身伤亡、财产损失或环境污染事故。...
文件类型:规章制度 文件编号:QYXRMYY-JYK-080 版本:C/3 文件主题:化学危险品管理制度与程序 生效日期:2013-04-20 化学危险品管理...
序号HS编码商品名称及备注原监管条件调整后监管条件检验检疫类别11211905099其他主要用作香料的植物(包括其某部分,不论是否切割,压碎或研磨...
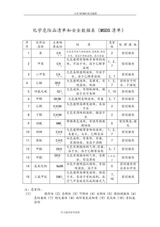
完美W ORD 格式编辑 学习指导参考资料 化学危险品清单和安全数据表(MSDS 清单) 序号 化学品 名称 主要物质成份 性 质 危害性...
化学危险品及药品的保管与使用规定 一、总则 1 储存、运输和使用化学危险物品的单位,必须建立健全化学危险物品安全管理制度。 2 有毒...
下载后可任意编辑企业危险品仓储安全管理方案12024 年 5 月 29 日 危险品仓储安全管理制度1. 仓库保管员应经培训考试合格方可上岗。...
下载后可任意编辑仓库危险品安全管理制度12024 年 4 月 19 日下载后可任意编辑 仓库危险品安全管理制度1 目的为了保障在危险化学品...

