脚手架租赁协议书范本合同号:出租方: (以下简称甲方)承租方: (以下简称乙方)甲乙双方经协商自愿按下列条款,签订本合同以资共同遵守。...
合同编号: 脚手架租赁协议甲 方: 乙 方: 签约时间: Word 模板 A4 打印 标准格式 可随意修改脚手架租赁协议合同号:出租方:...
外架钢制外围护安全网片(镀锌钢制冲孔网片)规格要求:一、钢板网具体要求:1.材质: 优质钢板网2. 厚度: 0.6mm, 3.规格:1000*1800mm,1...
脚手架租赁协议范本脚手架租赁协议范本脚手架租赁协议范本租赁合同终止协议 出租方:_____________________承租方:_____________________兹...
目录第一章 工程概况...............................................................2第二章 搭设材料.................................
脚手架施工合同通用版发包方:(以下简称甲方) 承包方: (以下简称乙方) 根据《中华人民共和国合同法》和《建筑安装工程承包合同》条例及...
脚手架租赁协议范本合同号:出租方:(以下简称甲方)承租方:(以下简称乙方)甲乙双方经协商自愿按下列条款,签订本合同以资共同遵守。一、乙...
脚手架搭设标准一、脚手架的材质及规格要求(1)钢管的材质及规格要求一般采纳符合 GBT00《普通碳素结构技术条件》技术要求的 A3钢,外表...
脚手架承包合同书范本 3发包方(简称甲方):承包方(简称乙方):根据《民法典》,《中华人民共和国建筑法》相关法律,在平等,协商,诚信的...
脚手架安全治理合同 为了认真贯彻“安全第一、预防为主”的方针,切实加强劳动保护,做到安全生产和文明施工,消除安全生产事故隐患,杜绝...
建设单位:上虞国际大酒店有限公司 上虞国际大酒店 编制单位:浙江德盛建设集团有限公司 专项施工方案脚 手 架 搭 拆 施 工 方 ...
编号:_________________脚手架承包合同范本甲 方:________________________________________________乙 方:_________________________...
脚手架承包合同完整版(标准版合同模板)甲 方:** 单位或个人 乙 方:** 单位或个人 签订日期: ** 年 ** 月 ** 日 签订地点...
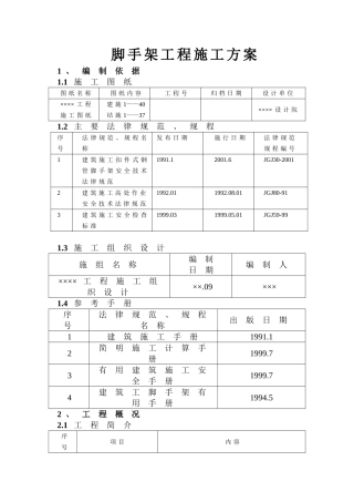
脚 手 架 工 程 施 工 方 案1 、编制依据1.1 施工图纸图 纸 名 称图 纸 内 容工 程 号归 档 日 期设 计 单 位××...
安全技术交底书 单位工程名称华瑞紫韵城福园 2#楼交底日期年 月 日分部分项工程名称脚手架工程生产班组名称架子工交底内容:1 严格根...
脚手架安全管理合同为了仔细贯彻“安全第一、预防为主”的方针,切实加强劳动保护,做到安全生产和文明施工,消除安全生产事故隐患,杜绝重...
合同编号: 脚手架出租合同样本甲 方: 乙 方: 签约时间: Word 模板 A4 打印 标准格式 可随意修改脚手架出租合同样本合同编号...
合同编号: 脚手架出租合同甲 方: 乙 方: 签约时间: Word 模板 A4 打印 标准格式 可随意修改脚手架出租合同合同编号:出租方...
脚手架出租协议范本出租方: (以下简称甲方)承租方: (以下简称乙方)甲乙双方经协商自愿按下列条款,签订本合同以资共同遵守。一,乙...
脚手架及临边安全防护 一、脚手架搭设施工安全要求 施工项目部施工员或技术负责人必须根据《建筑施工扣件式钢管脚手架安全技术法律规范》...

