第1页共9页编号:时间:2021年x月x日书山有路勤为径,学海无涯苦作舟页码:第1页共9页更多企业学院:《中小企业管理全能版》183套讲座+89...
临时用电方案(精)第一篇:临时用电方案-(精)临时用电专项方案旗台项目经理部目录一、编制依据……………………………………………………...
附件:中国储备棉管理总公司《2012年度棉花临时收储预案》实施办法为稳定棉花生产、经营者和用棉企业市场预期,保护棉农利益,保证市场供应...
WORD格式专业资料整理南昌高新区航空城市政基础设施配套工程学苑路A1标专项施工方案学苑路道路工程A1标段临时排水引流专项施工方案编制:审...
第1页共43页编号:时间:2021年x月x日书山有路勤为径,学海无涯苦作舟页码:第1页共43页章程(经公司2015年第二十二次临时股东大会审议修订...
第1页共5页编号:时间:2021年x月x日书山有路勤为径,学海无涯苦作舟页码:第1页共5页股票简称:美克股份股票代码:600337编号:临2001-015...
外环线东北部调线工程现场检查(监理、项目经理部临时用电施工组织设计第一合同段编制单位:中铁十三局集团有限公司二〇一三年十一月一日外...
第0页共87页编号:时间:2021年x月x日书山有路勤为径,学海无涯苦作舟页码:第0页共87页目录第一章施工现场临时用电组织设计2一、工程概况2...
第1页共53页编号:时间:2021年x月x日书山有路勤为径,学海无涯苦作舟页码:第1页共53页施工现场临时用电组织设计一、编制依据《低压配电设...
施工临时用水用电施工方案目录一、工程概况.............................................................................................
大顺运输汽车公司华西片区及客车南站棚户区改造项目(一期15号地块)施工临时用电组织设计施工单位:编制人:审核人:日期:目录一、工程概...
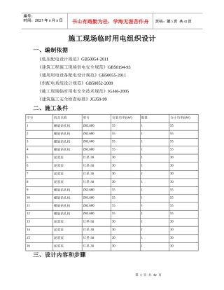
第1页共42页编号:时间:2021年x月x日书山有路勤为径,学海无涯苦作舟页码:第1页共42页施工现场临时用电组织设计一、编制依据《低压配电设...
第1页共24页编号:时间:2021年x月x日书山有路勤为径,学海无涯苦作舟页码:第1页共24页施工现场临时用电施工组织设计一、工程概况1.1.1工...
第1页共14页编号:时间:2021年x月x日书山有路勤为径,学海无涯苦作舟页码:第1页共14页施工现场临时用电施工组织设计一、编制依据1、《施...
第1页共89页编号:时间:2021年x月x日书山有路勤为径,学海无涯苦作舟页码:第1页共89页目录第一章、临时用电组织设计.......................
第1页共41页编号:时间:2021年x月x日书山有路勤为径,学海无涯苦作舟页码:第1页共41页目录第2页共41页第1页共41页编号:时间:2021年x月x...
大顺运输汽车公司华西片区及客车南站棚户区改造项目(一期15号地块)施工临时用电组织设计施工单位:编制人:审核人:日期:目录一、工程概...
1邮汉线临时改移道路方案5篇范文第一篇:1邮汉线临时改移道路方案s237省道高邮段改扩建工程gy-l2标k127+220邮汉线临时改移道路施工及交通安...
第1页共10页编号:时间:2021年x月x日书山有路勤为径,学海无涯苦作舟页码:第1页共10页临时用电组织设计项目经理部第2页共10页第1页共10页...
第1页共7页编号:时间:2021年x月x日书山有路勤为径,学海无涯苦作舟页码:第1页共7页施工临时用电施工方案一、现场戡探:本现场为长方形,...

