局稽查局廉政监察员工作经验心得体会 《中国共产党党员领导干部廉洁从政若干准则(试行)》是党的建设特别是反腐倡廉建设科学化、规范化的...
基层工商所兼职纪检监察员工作现状调研报告基层工商所是履行工商行政管理职能的前沿阵地,是否廉洁高效,事关工商管理部门的社会形象和服务...
在特邀监察员聘任会议上的主持词篇一:县级特邀纪检监察员座谈会上的讲话在 XX县特邀纪检监察员座谈会上的讲话各位老领导、同志们:今天,...
运输专业公司安全监察员岗位说明书岗位名称 安全监察员岗位编号所在部门 运输专业公司岗位定员1直接上级 经理工资等级直接下级 无岗位...
安全监察员职务说明书岗位名称安全监察员岗位编号所在部门安全监察部岗位定员2直接上级安全监察部部长工资等级直接下级无岗位分析日期本职...
机械专业公司安全监察员岗位说明书岗位名称 安全监察员岗位编号所在部门 专业公司岗位定员1直接上级 经理、副经理、专责工程师工资等级...
煤矿安全监察员演讲稿 尊敬的各位领导、各位老师、同仁们: 你们好。 煤矿安全监察员演讲稿。本人姓名 xxx,38 周岁,现任 xxx公司副...
下载后可任意编辑市疾病防控上半年工作总结与市监察员年度工作报告汇编市疾病防控上半年工作总结*年上半年,区疾病预防控制中心以党的*会议...
下载后可任意编辑市疾控中心医师个人工作总结(多篇范文)与市监察员年度工作报告汇编市疾控中心医师个人工作总结本人于大学毕业后,一直在市...
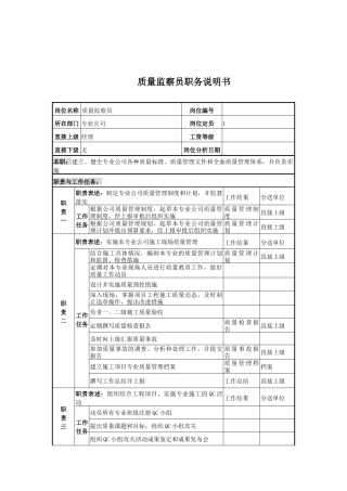
质量监察员职务说明书岗位名称 质量监察员岗位编号所在部门 专业公司岗位定员1直接上级 经理工资等级直接下级 无岗位分析日期本职:建...
下载后可任意编辑安监局监察员工作鉴定与安监局科学进展观的学习材料汇编安监局监察员工作鉴定一年来,我仔细系统地学习了党的十七大文件和...
下载后可任意编辑安监局监察员工作鉴定与安监局监察大队工作要点汇编安监局监察员工作鉴定一年来,我仔细系统地学习了党的十七大文件和省委...
下载后可任意编辑安监局的上半年工作总结(县)与安监局监察员工作鉴定汇编安监局的上半年工作总结(县)*县安监局 20*年上半年的工作在县...
下载后可任意编辑安全监察员工作总结与安全监察月总结汇编安全监察员工作总结安监员工作总结2024 年,是极不平凡的一年,也是难忘的一年,...
下载后可任意编辑安全监察员工作心得体会与安全监察员工作总结汇编安全监察员工作心得体会安全监察员的工作首先确立有一个方向,总的方向就...
下载后可任意编辑安全监察员工作心得体会与安全监察月总结汇编安全监察员工作心得体会安全监察员的工作首先确立有一个方向,总的方向就是预...
纪检监察员职业道德心得体会恪守职业道德,保持清醒头脑,尽职做好本职工作-----职业道德主题教育讨论活动心得体会道德是社会共同生活的准...
工商所纪检监察员心得体会做忠诚、干净、担当的基层纪检监察员工商莲湖分局北关工商所柏长勇7月17日上午,我作为一名基层工商所的纪检监察...
下载后可任意编辑劳动监察员个人工作总结(多篇范文)与劳动监察大队工作总结(多篇范文)汇编劳动监察员个人工作总结特邀监察员工作总结区纪检...
下载后可任意编辑劳动监察员个人工作总结(多篇范文)与劳动监察大队队长述职述廉报告(多篇范文)汇编劳动监察员个人工作总结特邀监察员工作总...

