电脑桌面
添加小米粒文库到电脑桌面
安装后可以在桌面快捷访问

电力公司质量监察员岗位说明书VIP免费

电力公司质量监察员岗位说明书_第1页
1/3
电力公司质量监察员岗位说明书_第2页
2/3
电力公司质量监察员岗位说明书_第3页
3/3
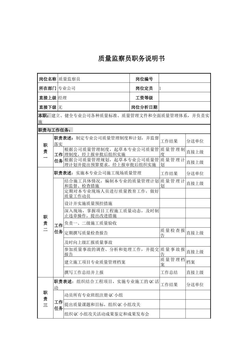
质量监察员职务说明书岗位名称 质量监察员岗位编号所在部门 专业公司岗位定员1直接上级 经理工资等级直接下级 无岗位分析日期本职:建立、健全专业公司各种质量标准、质量管理文件和全面质量管理体系,并负责实施 职责与工作任务:职责一职责表述:制定专业公司质量管理制度和计划,并监督落实工作结果分送单位工作任务根据公司质量管理制度,起草本专业公司质量管理制度,经上报审批后组织实施质 量 管 理 制度直接上级根据公司质量管理规划,起草本专业公司质量管理计划并提出预算要求,经上报审批后组织实施质 量 管 理 计划直接上级职责二职责表述:实施本专业公司施工现场质量管理工作结果分送单位工作任务结合施工具体情况,编制本专业的质量管理计划和监督、检查措施质 量 管 理 计划直接上级定期对本专业现场人员进行质量教育工作,做好质量工作动员设计并实施质量预控措施深入现场,掌握项目工程施工质量动态,及时制止违章操作,提出改进措施负责一、二级施工质量验收定期撰写质量检查报告质 量 检 查 报告直接上级及时向上级汇报质量事故参加质量事故的调查、分析和处理工作,并提交报告质 量 事 故 报告直接上级建立施工项目专业质量管理档案质 量 管 理 档案档案撰写工作总结并上报工作总结直接上级职责三职责表述:组织结合工程项目,实施专业施工的 QC 活动工作结果分送单位工作任务动员所有专业班组注册 QC 小组提出质量课题和目标,组织 QC 小组攻关组织 QC 小组攻关活动成果鉴定和成果发布会汇编 QC 小组活动成果并组织推广撰写 QC 工作总结并上报QC 工作总结 直接上级职责四职责表述:完成上级交付的其它质量管理任务权力:权限一:专业公司质量标准的参与制定权权限二:参加有关施工质量管理例会,有权对施工计划、技术方案提出加强质量措施的建议权限三: 有权检查施工人员的资格和证件,对无证上岗人员有权制止操作权限四: 对危及工程质量的指令,有权拒绝执行,对违章作业有权制止,对不听劝阻者有权越级汇报权限五: 对质量事故的调查、及相应处理权权限六:有权对施工人员的奖惩、晋级、评选提出意见工作协作关系:内部协调关系专业公司各部门和个人外部协调关系公司、项目部质量管理机构任职资格:教育水平中专或中级技术职称专业工程、热动等专业培训经历爱过上岗培训、ISO 质量管理体系的培训、相关法规培训经验2 年以上相关工作经验知识精通专业质量管理知识、相关...

1、当您付费下载文档后,您只拥有了使用权限,并不意味着购买了版权,文档只能用于自身使用,不得用于其他商业用途(如 [转卖]进行直接盈利或[编辑后售卖]进行间接盈利)。
2、本站所有内容均由合作方或网友上传,本站不对文档的完整性、权威性及其观点立场正确性做任何保证或承诺!文档内容仅供研究参考,付费前请自行鉴别。
3、如文档内容存在违规,或者侵犯商业秘密、侵犯著作权等,请点击“违规举报”。

碎片内容

电力公司质量监察员岗位说明书

您可能关注的文档

确认删除?
VIP
微信客服
  • 扫码咨询
会员Q群
  • 会员专属群点击这里加入QQ群
客服邮箱
回到顶部