节水管理制度第一章 总则第一为贯彻执行《中华人民共和国水法》,根据居民住宅小 区用水的特点,加强用水管理,合理利用水资源,挖掘节水...
蓬溪县高坪镇学校节水管理规章制度 为贯彻节约用水的方针,加强用水的科学管理,以获得节约用水的经济效益,减少单位无效用水的水费支出,...
节水管理定额奖惩制度为了维护正常的供水秩序,保障企业生产、 生活和基本建设等正常用水。根据相关文件精神和集团公司节水降耗的指示,结合...
节水与水资源再利用制度与措施目录1办公区传统水源节水制度2办公区传统水源管理措施3现场传统水源节水制度4现场传统水源节水措施5办公区非...
中 国 石 化 集 团 公 司 企 业 标 准炼化企业节水减排考核指标与回用水质标准2024 年 月 日发布 2024 年 月 日实施中 ...
目 录1、工程简介 22 、 工程 概况 2 3 、工程特点、难点 3 4 、绿色施工原则 3 5 、资源能源消耗总体目标 3 6 、我项目...
施工节水措施为加强节约用水管理,科学合理利用水资源,建设节水型社会,完善和法律规范施工场地用水制度,减少水资源浪费,保护和改善环境。...
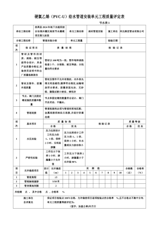
硬氯乙烯(PVC-U)给水管道安装单元工程质量评定表 节水表 1单位工程名称曲周县 2024 年地下水超采综合治理井灌区高效节水灌溉项目第九...
本公司在该工程施工过程中,将不断优化建筑施工方案,加强过程管理,加大新技术、新工艺、新标准的开发以及技术创新力度,将实行紧紧围绕“企...
家庭节水方案主笔:吴一帆 组员:吴诗婕,潘超宇,诸旭凡,吕家翔,宋郑怡,吴一帆一.背景水是生命之源,地球上几乎所有生物的生存都离不开...
学校节水管理制度1、全体师生应树立节约用水的意识,人人养成节约用水的习惯。2、全体师生应爱护用水器具,禁止野蛮使用损坏器具.3、用水时尽...
徐州市解放路小学 2024 年节水工作总结我校根据教育局、市节水办的有关工作要求,结合本校实际,积极开展节约用水各项活动,在不断推动节...
学校供水节水管理制度 为加强学校用水管理制度,防止浪费,节约开支,学校创建节水型学校工作领导小组,特制定如下师生用水节水管理制度:...
城市节水信息管理系统方案北京易麦克科技有限公司目 录1。项目意义目的 32. 项目的主要工作内容及技术指标 1 3. 系统主要技术路线及...
节粮、节水、节电方案及措施为深化贯彻教育部关于厉行勤俭节约、反对铺张浪费的精神,大力推动节约型校园建设,切实将学校节粮节水节电管理...
节水节电倡议书集合 节水节电倡议书集合 6 篇 节水节电倡议书 篇 1 尊敬的老师、亲爱的同学们: 水是生命的源泉,电是生命的光环。...
节水管理台帐(一)文书卷目 录一、公司(单位)简介二、节水工作总结三、节水组织机构四、节水管理网络五、上级文件一、公司(单位)简介...
节水标语宣传语长一点合集 节水标语宣扬语长一点精选合集 1. 节约用水,从我做起。 2. 流水不腐亦不复。 3. 一人节水一小步,人人节...
节水标语大全 短一些合集 节水标语大全 短一些精选合集 1. 人人节水,共抗缺水。 2. 爱护水资源,人人应尽责。 3. 请大家爱护水资...
的节水的建议书 4 篇 有用的节水的建议书 4 篇 在社会进展不断提速的今日,我们使用上建议书的状况与日俱增,建议书是就某项工作提出...

