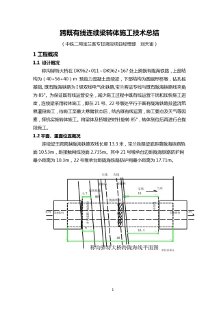
(中铁)跨既有连续梁转体施工技术总结
中铁建工集团项目部办公室工作手册中铁建工集团办公室广求知、真灼见、敢求是、好积累——提高办文能力早筹划、多协调、严组织、力保障——...
第1页共21页编号:时间:2021年x月x日书山有路勤为径,学海无涯苦作舟页码:第1页共21页在中国中铁企业重组工作视频会议上的讲话李长进(201...
中铁十四局集团公司水灾事故应急救援预案吴庄煤矿水灾事故专项应急救援预案编制单位:吴庄煤矿目录一、事故类型和危险程度分析1.矿井通风情...
本科毕业设计(论文)题目氯化锰去除铝合金中铁元素的工艺试验学院化学与材料工程学院年级12专业金属材料班级金属材料122学号学生姓名校内...
中铁十四局集团张吉怀铁路项目部一分部质量安全红线管理实施方案中铁十四局集团有限公司新建张家界至吉首至怀化铁路zjhzq-9标一分部质量安...
中铁四局施工技术管理工作标准中铁四技〔2005〕359号关于印发《中铁四局集团施工技术管理工作标准》等技术文件的通知各子(分)公司、工程...
中铁隧道集团有限公司文件隧设备〔2015〕203号关于修订发布中铁隧道集团大型设备场地存放及检查维修标准的通知各子、分公司:为了进一步规...
样板施工作业方案1、编制依据(质量样板工程应执行的规范性文件和主要规范标准);1.1、本工程施工设计图及相关施工组织方案1.2、中华人民...
中铁十四局集团有限公司水利水电工程分公司关于印发安全生产责任制的通知公司所属各项目部、机关各部室:为切实搞好安全生产,落实各项安全...
中铁九局集团有限公司网络通知签发:部门核稿:办公室核稿:编号2009-101拟稿人王国强电话62034997主送:管内各单位标题:关于加强中铁九局...
第一章现场建设及标识1.1公司徽标、名称及其组合施工现场冠名一律以司徽加司名,采用不同的组合形式。集团公司及其分公司所管工程用“中铁...
目录一、编制综合说明..........................................41.1.工程施工目标.......................................41.2.编制依...
中铁集团设备管理程序0目的对施工设备的管、用、养、修等全过程进行有效控制,以保持设备的生产能力,满足施工生产需要和环境、职业安全健...
中铁电气化局集团安全生产责任制第一章总则第一条为贯彻落实《中华人民共和国安全生产法》及国家和行业有关安全生产法律、法规,坚持“安全...
目录(一)编制依据...................................................................................................................
落实企业安全生产主体责任知识竞赛试题及答案单项选择题(请从三个备选答案中选择惟一一个正确选项,并在后面的答题卡中将其涂黑)1.安全生产...
中铁四集团公司集团有限公司绩效考核管理制度上海攀成德企业管理顾问有限公司目录一、绩效考核管理制度说明.................................
0隧道工程技术交底汇编(作业指导书)目录前言............................................................................................
中铁表态发言稿中铁,表态发言稿篇一:施工单位表态发言稿施工单位表态发言稿尊敬的各位领导、各位来宾、朋友们:大家上午好。很高兴能够代...

