电脑桌面
添加小米粒文库到电脑桌面
安装后可以在桌面快捷访问
标签“SL223-1999”的相关文档,共3条
  • SL223-1999水利水电工程验收常用资料格式

    SL223-1999水利水电工程验收常用资料格式VIP

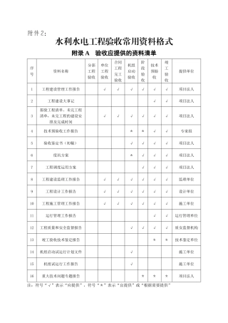
    附件 2:水利水电工程验收常用资料格式附录 A 验收应提供的资料清单序号资料名称分部工程验收单位工程验收合同工程完工验收机组启动验收...

    2024-11-22发布73 浏览82 页10 次下载69 KB
  • SL223-1999水利水电工程验收常用资料格式

    SL223-1999水利水电工程验收常用资料格式VIP

    附件2:水利水电工程验收常用资料格式附录A验收应提供的资料清单序号资料名称分部工程验收单位工程验收合同工程完工验收机组启动验收阶段验...

    2024-11-05发布108 浏览82 页18 次下载73.28 KB
  • 水利水电工程验收工作手册SL223-1999

    水利水电工程验收工作手册SL223-1999VIP

    第1页共56页编号:时间:2021年x月x日书山有路勤为径,学海无涯苦作舟页码:第1页共56页水利水电工程验收工作手册目录一验收工作纲要水利工...

    2024-11-05发布186 浏览56 页4 次下载103.57 KB
确认删除?
VIP
微信客服
  • 扫码咨询
会员Q群
  • 会员专属群点击这里加入QQ群
客服邮箱
回到顶部