2024 年质检部员工试用期工作总结范文2024 年质检部员工试用期工作总结范文 试用期转正工作总结范文 尊敬的领导您好: 刚到公司已经快...
精品文档---下载后可任意编辑2024 质检部个人年终工作总结 2024 质检部个人年终工作总结 1 时间飞逝,20_年已接近尾声,也即将成为过...
精品文档---下载后可任意编辑2024 质检部工作总结范文2024 质检部工作总结范文 xx 年质检部工作总结 xx 年,在我厂各领导的有力组织...
精品文档---下载后可任意编辑2024 年质检部副部长个人工作总结 XX,27 岁,汉族,中共党员,本科学历,工学学士。2024 年加入中国共产...
专职质检员岗位职责1.在项目部质检部长领导下开展工作,详细负责工程质量现场检查。2. 质检员应熟悉图纸、有关《规范》、《原则》及《施工...
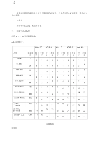
页脚.概述辅料检验的目的是了解到仓辅料的品质情况,判定是否符合订够要求,能否在大货中使用。二工作容查验辅料的品质,数量等工作。三检...
下载后可任意编辑质检部 2024 终工作总结___年公司突飞猛进的进展。在进展的同时,生产、技术、品质也在不断提升。短短一年时间里,品质...
下载后可任意编辑质检部 2024 年终工作总结范文___年公司突飞猛进的进展。在进展的同时,生产、技术、品质也在不断提升。短短一年时间里...
下载后可任意编辑质检部 2024 年个人工作总结在公司总经理室支持和关怀下,在公司各部门及生产部员工的大力配合下,总结这一年来的质检部...
下载后可任意编辑质检部 2024 年工作总结__年公司突飞猛进的进展。在进展的同时,生产、技术、品质也在不断提升。短短一年时间里,品质部...
下载后可任意编辑2024 质检部工作总结在我厂各位领导的有力___下,通过各部门密切配合,随着新产品不断开发成功,使得___年成为了有力进步...
下载后可任意编辑2024 质检部员工月度工作总结光阴如梭,__月的工作转瞬又将成为历史,__月即将过去,__月即将来临。新的___月意味着新的...
下载后可任意编辑2024 年酒店质检部年度工作总结范文在过去的一个月中,质检部的工作得到了总经理室及酒店各部门的大力配合,为我们质检工...
下载后可任意编辑2024 年质检部上半年工作总结___年上半年,我质检部检验一线全体人员在公司及品管中心的领导下,全力以赴、尽心尽责地做...
下载后可任意编辑2024 年质检部环境管理体系总结质检部承担公司所有进厂原材料、出厂成品、产品留样、稳定性试验的检测工作及本公司产品的...
下载后可任意编辑2024 年质检部月度工作总结范文工作总结转眼间___年上半年已经过去了,在这半年我们公司也取得了较好的销售业绩,但是距...
下载后可任意编辑2024 年质检部年终总结范文___年成为过去,过去的一年,是不寻常的一年,是记载着我们过去的一点一滴的一年。在迎接___年...
下载后可任意编辑2024 年质检部年终工作总结时间飞逝,___年已接近尾声,过去的一年是充满梦想和___的一年,是记载着我们过去一点一滴的一...
下载后可任意编辑2024 年质检部员工试用期转正工作总结范文尊敬的领导:您好!我于___月___日成为公司的试用员工,根据公司的需要,目前担...
下载后可任意编辑2024 年质检部半年工作总结___年即将成为过去,回顾这半年来的工作,我既有收获,也有遗憾。在公司各位领导的有力___下,...

