电脑桌面
添加小米粒文库到电脑桌面
安装后可以在桌面快捷访问

服装质检部标准化检验流程

服装质检部标准化检验流程_第1页
1/16
服装质检部标准化检验流程_第2页
2/16
服装质检部标准化检验流程_第3页
3/16
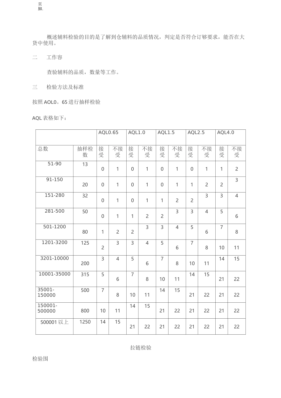
页脚.概述辅料检验的目的是了解到仓辅料的品质情况,判定是否符合订够要求,能否在大货中使用。二工作容查验辅料的品质,数量等工作。三检验方法及标准按照 AOL0。65 进行抽样检验AQL 表格如下:AQL0.65AQL1.0AQL1.5AQL2.5AQL4.0总数抽样检数接受不接受接受不接受接受不接受接受不接受接受不接受51-9013010101011291-150200101011223151-280320101122334281-500500112233456501-12008012233456781201-32001252334567810113201-100002003456781011141510001-35000315567810111415212235001-150000500781011141521222122150001-50000080010111415212221222122500001 以上125014152122212221222122拉链检验检验围页脚.尺寸,外观,颜色,色牢度,拉力测试,缩率,验针,耐腐蚀测试,其它客人要求的测试1 尺寸测量方法:将拉链拉自然平放在台面上,用钢尺测量其长度.尺寸接受围(单位:mm)拉链长度50 以下51-6061-7576-9091-110111-130130 以上可接受围0022335无特殊要求牛仔裤(裙)门襟拉链上止口布不低于 15mm,下止口布不低于 12mm2 外观外观检测:将链平放台上,无波浪,无弯曲,链齿光亮整洁,无污渍,带布无抽纱上下止口无毛头,链齿啮合完好,180 度翻转拉动拉链顺畅无卡齿感,特别是上下止处拉动顺畅并试其链锁是否有效.3 颜色测量方法:标准光源下对板目测.接受围:布带,拉头,链牙颜色 3 级以上.4 色牢度检测方法:将拉链放于 80 度的温水中浸泡 15 分钟,取出后自然干燥.(客人有其它特殊要求的要委托第三方检测并有报告。接受禁标准:测试后色差 3 级以上.5 拉力测试链牙啮合受力测试:完全完闭合拉链,在拉链中段垂直于链布,向相反方向各均衡施力 45N、15 秒.拉锁强力测试:闭合拉链使拉链处于自锁状态,分开两带布,呈现 60 度角,向两边各施力 45N、10 秒.下止强力测试:拉头拉至下止,完全分开拉链,拉链两边呈 180 度,分别向两边各均衡施力40N、15 秒.拉瓣强力测试:闭合拉瓣,拉头处于锁状,垂直于拉瓣均衡施力 50N、10 秒.6 缩率测试测试方法:取两条拉链,一条沾水浸湿后烘干后测量长度,另一条 200 度干烫后再测试长度计算出缩率缩率接受围:缩率不可超过 2%.7 验针能顺利通过 1.0MM 验针卡的验针机。8 耐腐蚀测试页脚.测试方法:将拉链放于 80 度浓度 3%的 Nacl 溶液中 180 秒•取出自然干燥,目测有无锈斑、蚀痕。洗水中会有其它腐蚀元素的要按大货洗水方法洗水测试。9 其它要求按客人要求竞用偶氮染料或其它元素...

1、当您付费下载文档后,您只拥有了使用权限,并不意味着购买了版权,文档只能用于自身使用,不得用于其他商业用途(如 [转卖]进行直接盈利或[编辑后售卖]进行间接盈利)。
2、本站所有内容均由合作方或网友上传,本站不对文档的完整性、权威性及其观点立场正确性做任何保证或承诺!文档内容仅供研究参考,付费前请自行鉴别。
3、如文档内容存在违规,或者侵犯商业秘密、侵犯著作权等,请点击“违规举报”。

碎片内容

服装质检部标准化检验流程

您可能关注的文档

确认删除?
VIP
微信客服
  • 扫码咨询
会员Q群
  • 会员专属群点击这里加入QQ群
客服邮箱
回到顶部