高考英语短文改错单句分类训练名词一、考点规律分析短文改错的名词考点主要涉及名词的单复数,即在该用复数的地方误用其单数,或在该用单数的...
单项填空解题技巧之“简化还原法”单项填空是高考英语试题的基本题型之一,用来考查词法、句法、惯用法、交际用语、词语辨析等各项内容。在...
(三)单项案例分析题1、关于固定资产审计:参考教材P76练习思考题第4题假设审计人员现需审计一家运输企业,在对其固定资产的存在性实施审...
(一)单项指标评分表表1-1男生体重指数(BMI)单项评分表(单位:千克/米2)等级单项得分一年级二年级三年级四年级五年级六年级正常10013....
目录1、恒祥煤业恢复改造单项工程建设情况汇报2、恒祥煤业恢复改造单项工程监理情况汇报3、恒祥煤业恢复改造单项工程矿建施工情况汇报4、恒...
惠康里小学2015年11月五年级运算能力单项测试质量分析报告执笔:王艳审核:XXX一、本年级学生运算能力现状分析:(跟踪年级需对比上次区运...
目录1、恒祥煤业恢复改造单项工程建设情况汇报2、恒祥煤业恢复改造单项工程监理情况汇报3、恒祥煤业恢复改造单项工程矿建施工情况汇报4、恒...
第1页共64页编号:时间:2021年x月x日书山有路勤为径,学海无涯苦作舟页码:第1页共64页(此文档为word格式,下载后您可任意编辑修改!)工厂...
矿井单项工程质量评估报告****煤矿**********采单项工程质量评估报告**工程咨询监理有限公司**项目部20**年10月26日区**煤矿-**********采...
文学生活多姿多彩最新钢筋单项劳务承包合同钢筋单项劳务承包合同1发包方:(以下简称甲方)承包方:(以下简称乙方)发包方根据《中华人民共和...
单项工程认证汇报材料8.6XX县区恒祥煤业有限公司单项工程质量审核汇报材料XX县区恒祥煤业有限公司恢复改造单项工程建设情况汇报义煤集团XX...
优化或再造的单项业务流程登记表(六)单位(部门):党政办填表时间:2013年4月29日权力名称学校公章管理权流程缺陷权力运行缺乏制约,标...
第1页共42页编号:时间:2021年x月x日书山有路勤为径,学海无涯苦作舟页码:第1页共42页单项工程质量认证需要准备的材料一、汇报材料(按10...
济源鹤济财源煤业有限公司技术改造单项工程质量审核汇报材料济源鹤济财源煤业有限公司二〇一二年七月目录1.矿井基本情况2.建设单位单项工程...
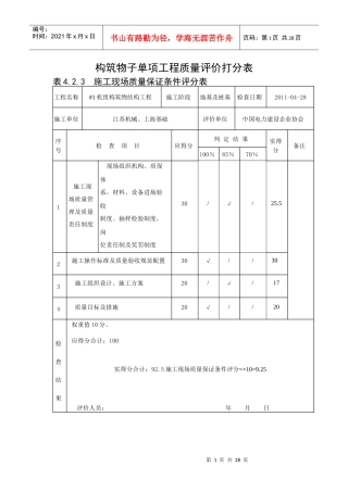
第1页共28页编号:时间:2021年x月x日书山有路勤为径,学海无涯苦作舟页码:第1页共28页构筑物子单项工程质量评价打分表表4.2.3施工现场质...
单项工程质量认证汇报材料一、建设单位:1、程序性文件(报建审批文件)2、设计能力、工程概况3、开竣工时间、投资完成情况4、各方责任主体...
第1页共6页编号:时间:2021年x月x日书山有路勤为径,学海无涯苦作舟页码:第1页共6页第四章会计凭证【实训4.1】(1)实训目的:实训原始凭...
第1页共8页编号:时间:2021年x月x日书山有路勤为径,学海无涯苦作舟页码:第1页共8页中信实业银行单项授信交易调查分析报表报告编号:____...
中信实业银行单项授信交易调查分析报表报告编号:_______________中信机构名:___________________中信机构编码:_______________主管人员...
中考单项填空题大盘点江西1.---Howmanyofthesebookshaveyouread?---______ofthem.Everyone.A.ManyB.SomeC.AllD.None2.Whenwegottothecityce...

