无线对讲系统组成和技术要求无线对讲在生活使用并不常见,他有点像我 2G 时代的手机,块头比较大,常应用于大厦安保、塔吊指挥、自助游爱...
1/11悦城一二期无线对讲系统设计方案项目概述广州物业启胜物业有限公司成都分公司管理的悦城一二期面积约 56 万平方米,其中一部分是地下...
03.1覆盖范围13.实现功能11无线对讲系统1 系2 设3 系4 系4.1 中转组网原理14.2 项目分析24.3 系统方案24.3.1 系统频率4.3.2 系统...
联网可视对讲系统设计方案 联网可视对讲系统 设 计 方 案 联网可视对讲系统设计方案 联网可视对讲系统设计方案 14/09/2011 安居宝...
立林户户对讲系统使用说明书
立林对讲维修系统维护手册
立林户户对讲系统2.0调试说明书
立林楼宇对讲分机、主机、管理机故障排除 第一章、系统维护流程 第一章、系统维护流程 当系统出现故障时,一般可采用以下方法迅速发现并...
立林L8对讲系统说明书
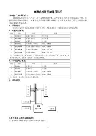
直通对讲系统使用说明书
电视监控、周界防穿越报警系统工程报价清单(综合单价中不含设备费) 序号 项目名称 单位 数量 综合单价 合价 综合单价分析 备注 ...
电梯无线GSM 对讲呼叫系统 1. 产品概述: 无线五方对讲呼叫系统用无线GSM主机实现机房与管理中心通话,无需布线减少日常使用的维护成本...
电梯五方对讲系统技术方案 太 原 学 宇 科 技 有 限 公 司 二 ○一一年五月 电梯五方对讲系统技术方案 一、项目概述 随着城...
前 言 随 着 高 层 楼 宇 的 不 断 增 加 , 电 梯 已 是 与 人 们 生 活 密 切 相 关 的 现代 化 工 业 ...
公司名称:深圳楚光金典科技有限公司 TS-979S 全双工电梯三方通话系统 适用于: 社区物业、电梯监控 、电梯对讲等 特 点: 快速安...
POC 集群对讲实现原理深圳源通世纪有限公司解决方案版本密级 机密POC集群对讲系统技术实现原理拟制:侯滨日期:2012.8审核:日期:批准:日...
峰火科技 IP 网络对讲系统白皮书广州市峰火电子科技有限公司2014 年 编 制 目 录一、方案背景1.1.银行方案应用背景 峰火科技 1.2....
边防总队智能对讲指挥调度系统方案 1 边 防 总 队 智 能 对讲指挥调度系统方案 深圳宇隆移动互联网有限公司 2015 年 8 月边防...
楼寓对讲电控防盗门通用技术条件 (送审稿) 中华人民共和国公安部行业标准 目次 前言 3 1 范围 4 2 规范性引用文件 4 3 定义...
福州松佳电子技术有限公司西安办事处 可视楼宇对讲系统设计方案 SONGJIA— 1 目 录 一、公司简介 ...................................

