单位工程技术文件目录施管表 1 共 7 页单位工程名称:道路工程第 1 页序号文件编号类 别项 目页号附 录11—1施管表××道路工程施...
董家口经济区道路及排水工程扬尘治理专项方案中国十九冶集团有限公司扬尘治理专项方案为进一步加强董家口经济区扬尘污染治理,改善大气环境...
目 录一、工程概况...................................................................................2二、扬尘治理工作职责分工.......
目 录一、工程概况 1二、编制目的 0 三、编制依据 1 四、施工扬尘控制组织机构 1 1 、组织机构 ..................................
市政工程总公司画册策划与文案文案与表现策略封一 企业名称与 LOGO封二放范经理的词缔造城市之美企业简介郑州市市政工程总公司机械化公司...
目 录一、工程概况 1二、编制目的 0 三、编制依据 0 四、施工扬尘控制组织机构 1 1 、组织机构 1 2 、施工扬尘控制管理岗位责...
工程开工报审表工程名称:德江县桶井乡小城镇乌江大道、高阡路道路工程编号:致:贵州智华建设工程有限责任公司(监理单位)我方承担的德江县...
平塘县牙舟镇集镇路网道路工程开工报 告施工单位: 贵阳市建筑安装工程股份有限公司审批单位: 批准日期:平塘县牙舟镇集镇路网工程开工报...
市政工程项目开工(复工)安全生产条件检查表监督登记号: 填表日期:年 月 日工程名称大坦沙污水处理系统管网工程-—新市涌以东片区一期...
市政工程开工前要做好资料的准备工作摘要:市政工程在开工前的准备是非常最重要的,前期资料员首先要熟悉设计施工图纸、设计说明及相应的招...
市政道路工程常见质量问题处理及处罚措施各劳务公司及班组:为法律规范各各劳务公司、班组在市政道路施工中的行为,确保工程质量,特制定本措...
********市政工程安全事故应急预案施工单位:项目技术负责人:审批人(注册安全工程师):编制时间:第1节概述市政工程施工是一项作业环...
第一篇 市政工程质量检验评定标准第一章 道路工程1.市政道路工程质量检验评定标准(CJJ 1—90)(行业标准)2。市政道路工程质量检验标准...
市政工程常见安全隐患:1、临时用电 (1)配电箱高度接地线连接不法律规范。 (2)临时过路电线未埋地敷设. (3)从排水工程进入道路施工...
市政工程设计法律规范及标准图集一、给排水专业1. 室外给水设计法律规范 GB50013—20242. 给水排水制图标准 GB/T 50106—20013. 给水...
市政工程常用材料进场检验标准一、 钢筋1、钢筋表面不得有裂纹、折叠、结疤、分层及夹杂,表面上其它缺陷的深度或高度不得大于所在部位尺寸...
市政工程常用试验检测项目与频率汇总市政工程检测项目与频率 CJJ 1-2024注:检测压实度﹑弯沉﹑灰剂量﹑弯沉的依据都一样,所以重复的就...
附录D市政工程工程量清单项目及计算规则项目编码项目名称项目特征计量单位工程量计算规则工程内容040102001挖一般石方1.岩石类别2.单孔深度...
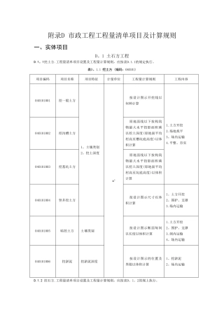
附录D 市政工程工程量清单项目及计算规则一、实体项目D。1 土石方工程D.1。1挖土方.工程量清单项目设置及工程量计算规则,应按表D.1.1的...
1。市政工程工程量清单计价步骤1。1 讨论招标文件,熟悉图纸(1)熟悉工程量清单工程量清单是计价最重要的依据,必须全面了解所有清单项目...

