绝缘子的绝缘电阻及耐压试验 绝缘子是电网中大量使用的一种绝缘部件,当前应用得最广泛的是瓷质绝缘子,也有少量的玻璃绝缘子,有机(或复...
耐压测试方 3.1 基本方法 测试的连线方法,一般情况下高电压将施加在被测绝缘体之间,例如加在电源初级回路和被测仪器的金属外壳之间。...
以下首先针对 LED 灯具、LED 灯泡及 LED 驱动器等三种基本产品分类,及其分别沿用至各成品或零件时,所应参考的 UL 安规标准及应特...
壳牌可耐压润滑油安全技术说明书
在 CSA, UL 和 IEC 标 准 中 , 几 乎 各 种 电 器 安 全 标 准 都 会 要 求 对 产 品 进行 耐 压 测 试 ...
管材耐压热稳定试验机 承 德 精 密 试 验 机 有 限 公 司 1 XGR-8760-110 管 材 耐 压 热 稳 定 试 验 机 使 用...
电缆试验手法的革新 1 概述 随着我公司的发展,尤其是在城网改造和城市美化的要求,用交联聚乙烯电缆(以下简称:“交联电缆”)代替架空线路...
1 GYZJ 高压匝间冲击耐压 试验仪 说 明 书 武汉高亚电气有限公司 2 一、概述 GYZJ 匝间耐压试验仪是采用脉冲波形比较法,以高压...
范轧线 110kV 电缆交流耐压试验报告 试验负责人: 技术负责人: 试 验 人 员: 调试公司高压试验 年 月 日 范轧线 110kV 电...
0402 是体积,贴片电容耐压值各个厂家标称不一样: 最近发现人们对贴片电容电感电阻的关注越来越多。 KEMENT 电容(1=100V,2=200V,3=...
BPXZ-HT-3200kVA/128kV调频式串联谐振耐压装置技术方案BPXZ-HT-3200kVA/128kV调频式串联谐振试验装置一、被试品对象及试验要求1.64kV/110k...
真空吸尘器耐压测试修订日期修订单号修订内容摘要页次版次修订审核批准2011/03/30/系统文件新制定2A/0///批准:审核:编制:真空吸尘器耐压...
BPXZ-HT 便携式电缆耐压试验装置技术资料http://www.whhuatian.com/130/index.html尊敬的顾客感谢您购买本公司 BPXZ-HT 系列变频谐振试...
120607331139_0耐压式称重给煤机原理特点及自控系统介绍
. . 压力容器耐压试验作业指导书1. 总则压力容器耐压试验是指压力容器全面检验合格后,所进行的超过最高工作压力的液压试验或者气压试验...
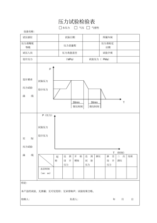
压力试验检验表水压力气压气密性设备名称:试压部位试验日期所属车间压力表精度等级压力表量程压力表检定日期试压人员压力表盘直径试验介质...
BPXZ-HT-1560kVA/260kV/130kV变频串联谐振试验装置技术方案BPXZ-HT-1560kVA/260kV/130kV变频串联谐振试验装置一、被试品对象及试验要求1、1...
感应耐压试验的问题检讨范文大全第一篇:感应耐压试验的问题检讨感应耐压试验的问题检讨感应耐压试验和外施耐压试验都列为出厂绝缘试验项目...
1/10井下高压电缆耐压试验实施方案2/10————————————————————————————————作者:————————————...
10kV电力电缆交接试验报告(交流耐压)工程名称:安装位置:牟尼沟35kV变电站10kV开关柜至站外水泥杆1.铭牌:电缆名称交联聚乙烯绝缘电力电...

