分部工程验收申请报告(黄河养护[2015]验报001号)合同名称:南水北调受水区鹤壁供水配套工程施工11标段合同编号:NSBD-HBPT/SG-11致:河...
分部分项工程安全技术交底卷内目录1、安全交底制度2、安全技术交底卡第0页共51页编号:时间:2021年x月x日书山有路勤为径,学海无涯苦作...
(地基与基础分部工程)工程名称:鹭岛国际社区三期四标段工程分部工程:地基与基础分部业主单位:成都滕王阁房地产开发有限公司施工单位:...
绥满国道主干线阿荣旗至博克图高速公路工程桥式通道分部工程开工承包:中国煤炭国际经济技术合作总合同:ABLJ-13监理:济南金诺公路工程监...
分部(分项)工程平安技术交底一、分局部项工程平安技术交底1、根底工程:包括挖土工程、回填土工程、基坑支护等。2、主体工程:包括砌筑工程...
第1页共13页编号:时间:2021年x月x日书山有路勤为径,学海无涯苦作舟页码:第1页共13页附件吉林省危险性较大的分部分项工程安全管理实施细...
各分部〔分项〕工程、各工种及其它平安技术交底记录表工程名称分部〔分项〕工程及工种名称打桩阶段与振动灌注打桩工交底时间交底人交底单编...
目录一、编制根据二、钢构造分部工程概述三、钢构造分部的监理工作流程四、钢构造分部工程监理工作控制要点和目的值〔一〕、原材料及成品进...
首钢水钢〔集团〕物资供给仓储物流中心机动处北面库房搬迁工程〔一〕设备库房桥式起重机安装分部工程质量评估工程名称:首钢水钢〔集团〕物...
x至x铁路客运专线站前一标二分部墩身施工方案编制:复核:审批:目录一编制依据........................................1二工程概况........
一、工程概况二、施工资料情况三、基础分部工程各分项验收情况四、施工过程的控制五、质量控制措施六、自检验评结论一、工程概况:工程名称...
建筑电气分部工程质量验收记录表□□单位工程名称华丽家族住宅小区11#楼结构类型及层数砖混五层带阁楼施工单位包头市华龙建筑公司技术部门...
表A.0.4分部工程质量检验记录工程名称高新坪片区路网建设工程(1期)17号路分部工程名称道路路基施工单位福建省涵城建设工程有限公司项目经...
表分部工程质量检验记录工程名称分部工程名称施工单位项目经理技术部门负责人质量部门负责人项目技术负责人序号分项名称检验批数施工单位检...
实用标准文档城镇市政道路、给排水、桥梁、隧道、照明、绿化、电力管沟、交通信号等单位工程、分部工程、分项工程、检验批的划分参考表单位...
市政工程分部质量验收报告建设单位及工程名称施工单位结构(管道)类型人行道及附属工程基础类型工程规模验收日期年月日实体质量检查情况侧...
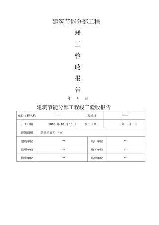
建筑节能分部工程竣工验收报告年月日建筑节能分部工程竣工验收报告单位工程名称******工程地址******开工日期2016年10月15日竣工日期年月日...
建筑装饰装修分部工程质量验收记录工程名称结构类型层数施工单位技术部门质量部门分包单位分包单位分包技术序号子分部工程名称检验施工单位...
建筑装饰装修分部(子分部)工程质量验收记录表单位工程名称惠民小区24#楼结构类型及层数施工单位庐江安泰技术部门负责人质量部门负责人分...
洛川县中心敬老院工程(第五部分)建筑节能分部资料共壹卷第壹卷编制单位:延安嘉泰建筑安装有限公司编制日期:年月日卷内备考表本案卷共有...

