卷盘状钢材作业安全操作规程 一、遵守《总则》中的有关规定。 二、根据卷盘状钢材的种类、规格和作业条件,根据安全、货运质量方面的国家...
精品文档---下载后可任意编辑JP75 型卷盘喷灌机传动系统能耗分析及变速箱强度仿真中期报告一、讨论背景卷盘喷灌机是一种常用于农业灌溉的...
精品文档---下载后可任意编辑JP75 型卷盘喷灌机传动系统能耗分析及变速箱强度仿真开题报告一、讨论背景及意义卷盘喷灌机是一种高效节水的...
精品文档---下载后可任意编辑JP50 卷盘喷灌机用水涡轮数值模拟与优化的开题报告一、 讨论背景和目的随着我国农业现代化的进展,农业机械...
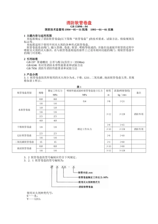
消防软管卷盘
消防软管卷盘GB15090—94国家技术监督局1994—05—31批准1995—01—01实施1主题内容与适用范围本标准规定了消防软管卷盘(以下简称“软管卷...
消防水带消防软管卷盘消防水枪室内外消火栓现场判定课件•消防水带•消防软管卷盘•消防水枪目录•室内外消火栓•现场判定技巧•常见问题解...

