专业合同封面COUNTRACTCOVER20XXPERSONALRESUME甲方:XXX乙方:XXX2024年室内装饰工程通用协议范例版本合同目录一览1.工程概述1.1工程名称1...
2024年室内装饰工程劳务分包标准协议模板本合同目录一览1.合同主体及定义1.1发包方1.2承包方1.3分包方1.4工程概况1.5工程地点1.6工程时间2....
专业合同封面COUNTRACTCOVER20XXPERSONALRESUME甲方:XXX乙方:XXX2024年酒店装饰工程协议标准模板一本合同目录一览1.工程概述1.1工程名称1...
专业合同封面COUNTRACTCOVER20XXPERSONALRESUME甲方:XXX乙方:XXX本合同目录一览第一条合同主体及定义1.1甲方名称及代表1.2乙方名称及代表...
2024年精选住宅装饰工程协议与费用明细本合同目录一览第一条合同主体及定义1.1甲方(业主)名称及联系方式1.2乙方(装饰公司)名称及联系方...
专业合同封面COUNTRACTCOVER20XXPERSONALRESUME甲方:XXX乙方:XXX2024专业装修装饰工程整体承包合同一本合同目录一览第一条合同主体及定义...
大厦维修方案施工方案一、工程概念工程名称:永升大厦幕墙漏水维修项目工程地点:上海中山西路2025号施工面积:延米(按实际施工面积计算)...
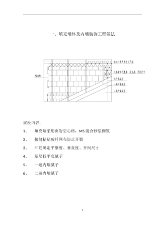
室内装饰工程验收标准建筑装饰工程有限公司室内装饰工程验收标准一、材料验收二、防水工程三、电工工程四、水工工程五、隔墙工程六、吊顶工...
广场二期1#楼外墙装饰工程幕墙工程安全施工方案一、工程概况1.工程概况本本工程名为广场二期1#楼幕墙工程,工程地点位于武汉市武昌区中北...
装饰工程见证取样计划一、编制依据1.《建筑工程施工质量验收统一标准》GB50300-2013;2.《建筑装饰装修工程质量验收规范》GB50210-20013.《...
第一章总则第一条目的为激发武汉映江南装饰工程集团有限公司广大员工以成果为导向,形成自觉、自律、自动、奋发向上的工作作风,开创工作新...
XXXX装饰工程有限责任公司职业经理人聘任协议书甲方(聘用方):乙方(受聘方):经协商一致,甲方同意聘任乙方。为了明确双方的责任、权利...
湖北省房屋建筑与装饰工程消耗量定额及全费用基价表总说明一、《湖北省房屋建筑与装饰工程消耗量定额及全费用基价表》(2018)(以下简称本定...
济宁杂技城钢结构及建筑幕墙外装饰工程安全专项施工方案目录第一部分安全专项施工方案第一章工程概况一、工程概况------------------------...
建筑装饰工程合同书【篇一:建筑装饰工程施工合同范本】建筑装饰工程施工合同发包方(甲方):承包方(乙方):按照《中华人民共和国经济合...
MIME-version:1.0Content-Type:multipart/related;boundary="----=_NextPart_000_0076_01C29953.BE473C30";type="text/html"X-MimeOLE:Prod...
装饰工程施工技术——室内壁纸粘贴工程姓名刘亚男学号20071051087班级室内设计2班指导教师徐钊铺装壁纸的施工要点•1、铲除墙皮。除掉墙面...
摘要管理创新作为一个独立概念成为中国商界显学,风险投资(VC)与新经济创业潮的推动是关键。随着知识经济时代的来临,越来越多的企业发现...
建筑装饰工程施工管理主要介绍建筑装饰装修工程施工项目现场管理、生产要素管理、施工项目进度控制、质量管理、施工安全管理、成本控制和施...
全国570家建筑装修装饰工程专业承包一级资质企业名单北京市(61+25=86家)1.中国建筑一局装饰公司△2.中国建筑装饰工程公司△3.中铁建厂...

