汽车维修设备、工具购销合同 供方: 合同编号: 需方: 签订地点: 一、产品名称、商标、型号、厂家、数量、金额、供货时间及数量 (...
汽车维修自我鉴定_汽车维修工作总结个人评价汽车维修自我鉴定篇一 我在 xx 有限公司进行维修实习。在来这一个多月的工夫里,我对汽车维...
汽车维修自我鉴定汽车维修自我鉴定我叫×××,在×××工作,现任×××职务。一年来,在领导的关怀和同事的帮助下,通过自己的不懈努力,...
云顶维修绩效制度执行日期:2025 年 3 月店长审核: 总监审核: 总经理审批:云顶维修绩效管理制度为提升公司整体经营管理水平,准确...
汽车维修特许合同范本(标准版合同模板)甲 方:** 单位或个人 乙 方:** 单位或个人 签订日期: ** 年 ** 月 ** 日 签订地点...
汽车维修特许合同汽车维修特许合同 该地区特许连锁协议产生于_________年_________月_________日,签约双方分别为:特许人:_________公司...
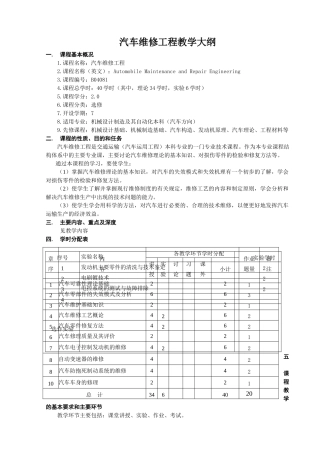
汽车维修工程教学大纲一. 课程基本概况1.课程名称:汽车维修工程2.课程名称(英文):Automobile Maintenance and Repair Engineering...
汽车维修年度工作总结 5 篇汽车维修年度工作总结 1 时间如梭!转眼间我从事汽车维修工作已经有一年时间,在这一年多的时间里,我学到了...
汽车维修年终工作总结公司市场部实习报告 从进入公司的第一天起,我就下定决心要好好做,因为我想让自己在公司学会很多东西。不管是工作任...
汽车维修求职信集锦五篇汽车维修求职信集锦五篇 时间过得太快,让人猝不及防,我们很快就要开启找工作的生活,这时候,最关键的求职信怎么...
汽车维修年终总结 1000 字五篇汽车维修年终总结 1 __年上半年已经过去,在这半年里我深刻体会到了个工作的汗水与欢乐,我把自己的青春...
汽车维修合同样书一合同编号_____________托修方:________________________ 签订时间:_______________________________ 承修方:______...
汽车维修培训感想汽车维修培训感想 在学期结束前,我们 6 个参加培训的同学早已开始结束培训了,当资料发下来时,让我们感到的是头晕目...
汽车维修员工入党申请书 中国共产党是中国工人阶级的先锋队,代表了中国各族人民利益,领导了中国社会主义事业,加入这一伟大的组织需要写...
汽车维修培训总结汽车维修培训总结本次培训班是由日本国政府资助,天津工程师范学院主办的针对于中国西部职业老师进修的短期培训班,已经成...
汽车维修安全生产管理制度为提高车辆的维修质量,加强本部职工的质量意识,杜绝质量事故的发生,制定如下制度。一、质量管理机构本部成立质...
汽车维修售后服务合作协议范本甲方:××汽车有限公司住所地:法定代表人:电话:乙方:住所地:法定代表人:电话:鉴于:甲方现有汽车销售...
汽车维修合同(标准版合同模板)甲 方:** 单位或个人 乙 方:** 单位或个人 签订日期: ** 年 ** 月 ** 日 签订地点: ** ...
汽车维修售后服务合作协议汽车维修售后服务合作协议第 1 篇 甲方: 汽车有限公司 住所地: 法定代表人: 电话: 乙方: 住所地:...
汽车维修合同汽车维修合同第 1 篇 托修方(甲方):________________ 承修方(乙方):________________ 根据等法律、法规的规定,甲...

