下载后可任意编辑冷库制冷节能措施方案背景与概述冷库是专门用于贮存食品、药品、化学品等物品而建造的一种冷藏室。为了维持库房内温度的稳...
下载后可任意编辑冷库出租运营方案背景冷库出租是一项逐渐受到关注的新兴业务。随着生鲜电商、快递行业的进展,对存储和运输的温度要求越来...
下载后可任意编辑冷库养护维修方案冷库是储存冷冻食品等冷链产品必不可少的设备,对于保障冷链产品的质量和安全至关重要。为了确保冷库正常...
下载后可任意编辑冷库出租致富方案概述随着人们生活水平的提高和物流业的进展,越来越多的食品、药品、化妆品等需要保鲜、冷藏或冷冻的商品...
下载后可任意编辑冷库保洁服务方案简介在冷库日常使用过程中,常常会有冷凝水、菌落等脏污物附着在冷库壁、设备及货架上,这不仅影响库房干...
下载后可任意编辑冷库供应安装方案背景概述随着物流行业的不断进展,冷链物流成为物流供应链的其中一环。在冷链物流中,冷库是不可或缺的一...
下载后可任意编辑冷库保鲜服务方案背景介绍在现代物流和农业生产中,冷链物流已经成为不可或缺的一环。冷库,作为冷链物流中的重要环节,是...
下载后可任意编辑冷库低温消毒方案冷库是用于存储食品和药品等特别物品的环境,因此对其要求十分严格,特别是在低温消毒方面更是不能有一丝...
下载后可任意编辑冷库仓储方案冷库仓储是指储存需要保持低温或冷藏的物品的一种方式,通常应用于食品、医药、化工等行业。由于冷库仓储与一...
下载后可任意编辑冷场冷库维护方案概述随着现代物流业的不断进展,冷链物流在各行各业中逐渐普及。而在冷链物流中,冷场和冷库是非常重要的...
下载后可任意编辑农村冷库法律规范管理方案背景农村冷库是保障乡村贮存农副产品质量的重要措施,目前,它已经得到越来越多人的关注和应用。...
* *****实业有限公司二○○九年企 业 简 介公司名称:****实业有限公厦经营范围:****实业有限公司是**省一家重点制冷企业。于2000 年...
下载后可任意编辑全封闭冷库维护方案前言全封闭冷库是一种能有效保持冷藏温度的冷库,广泛用于食品、药品、化工等行业。然而,长期使用会导...
******药业有限公司验证文件******药业有限公司冷 库 ( 一 )验证报告二 0 一六年技术支持单位:******科技有限公司******药业有限...
题目:冷库温度分布验证方案编号:06TS503-08.01起草人:日期:颁发部门:会签:日期:分发部门:实施日期:批准人:日期:北京四环生物制药...
下载后可任意编辑租赁类-冷库租赁合同甲方: 乙方: 签订地点: 签订时间: 合同编号: 下载后可任意编辑租赁类-冷库租赁合同 甲方(...
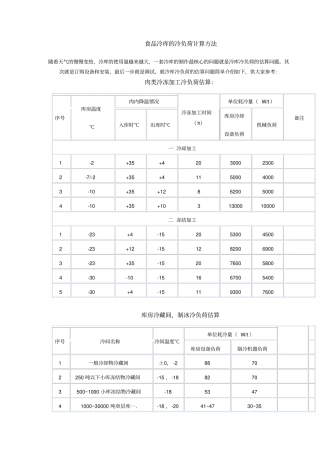
食品冷库的冷负荷计算方法随着天气的慢慢变热,冷库的使用量越来越大,一套冷库的制作最核心的问题就是冷库冷负荷的估算问题。其次就是订购...
下载后可任意编辑1. 项目背景近年来,越来越多的人开始关注有机蔬菜和水果的健康、安全、环保等问题。在消费升级的背景下,有机蔬菜和水果...
下载后可任意编辑冷库租赁合同样书甲方: 乙方: 签订地点: 签订时间: 合同编号: 下载后可任意编辑根据《民法典》及相关规定,就冷...
下载后可任意编辑冷库销售合同范本甲方: 乙方: 签订地点: 签订时间: 合同编号: 下载后可任意编辑冷库销售合同范本最新 甲方(买...

