工程技术复核及隐蔽验收 1、所有的分部分项工程均需经技术,质检人员复核合格后,才能进行下道工序的操作。 2、属隐蔽工程范围的分项工程...
智能建筑隐蔽工程(随工序检查)验收表 编号: 0701 □□□系统名称建设单位施工单位监理单位隐蔽工程(随工序检查)内容与检查结果检 查...
钢筋隐蔽工程检查验收记录工程名称山东大学东校区科研综合楼桩基工程隐检项目钢 筋隐检日期2025-06-15隐检部位B,C 区人工挖孔桩护壁隐检...
房建隐蔽工程验收管理制度(讨论稿)第一章 总则第一条 为加强对隐蔽工程验收的管理工作,避开隐蔽工程可能造成的质量隐患,确保工程质量...
图 14350373373墙面彩板隐蔽式咬边连接示意图
数学文化 隐蔽的尺寸 在城市广场的中央有一片很大的圆形憩息地。市议会拟在该地建造一个菱形浅水池。多里斯•莱特市长看到这一计划,她找...
目录1.初期支护净空测量记录...........................................................................................................
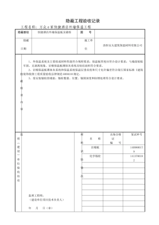
隐蔽工程检查记录表 C5-1编号工程名称江西 监狱Ⅱ标段 2#劳动改造用房隐检项目钢筋工程隐检日期07.5. 20隐检部位后浇带~1 轴屋面梁板...
XX 高速公路洛阳至三门峡(豫陕界)段改扩建工程 TJ-16 标段隐蔽工程质量管理办法 编制: 复核: 批准: 目 录一 编制原则..........
不进入吊顶内电气导管、线槽隐蔽验收记录C 2.4.10.2 编号: 工程名称施工单位隐蔽验收部位隐检时间隐检依据隐 检 内 容施工单位自检...
不进人吊顶内电气导管、线槽隐蔽验收记录C 2.4.7.6 编号:工程名称施工单位隐蔽验收部位隐检时间隐蔽依据隐 检 内 容施工单位自检情况...
中 国 能 源 建 设 集 团 XX 湖 南 省 火 电 建 设 公 司 标 准隐 蔽 工 程 验 收 管 理 规 定Q/501-217.02.0...
隐蔽工程验收记录鲁 JJ—037工程名称隐检项目3:7灰土隐检日期 隐检部位地基处理层1-19/A-D轴、标高-2.65m 隐检依据:施工图图号结施说...
其它检验项目的检测报告及隐蔽工程项目 检查验收记录汇总表 GJ2.4子分部工程名称钢屋盖施工单位鑫源钢构监理单位(建设单位)建扬监理序号...
0157 长江堤防隐蔽工程枞阳县大砥含 B 段护岸工程第一章 施工规划总讲明6第 1 节 工程概况6第 2 节 要紧操纵目标 7第 3 节 ...
0086 长江堤防隐蔽工程枞阳县大砥含 B 段护岸工程第一章 施工规划总讲明6第 1 节 工程概况6第 2 节 要紧操纵目标 7第 3 节 ...
表 C5-1隐蔽工程检查记录(通用)安阳市建筑工程质量监督站监制第 1 页,共 2 页表 C5-1(续)隐蔽工程检查记录(通用)工程名称X 项目编号...
隐蔽工程会签单 编号:001房号隐蔽工程项目隐蔽工程区域隐蔽验收时间3015 样板间天花封石膏板板C82 户型 3015 样板间地下一层至阁楼20...
隐 蔽 工 程 验 收 流 程 图 合 格 不合格 合 格 不合格 合 格 项目部自检,提供隐蔽验收记录表单监理工程师收到信息 24...
隐蔽工程验收记录填写方法全解析1.基础工程与主体结构工程1.土方(1)检查内容:根据施工图,地质调查报告,有关的施工验收法律规范,基础...

