电脑桌面
添加小米粒文库到电脑桌面
安装后可以在桌面快捷访问

37灰土隐蔽验收记录

37灰土隐蔽验收记录_第1页
1/4
37灰土隐蔽验收记录_第2页
2/4
37灰土隐蔽验收记录_第3页
3/4
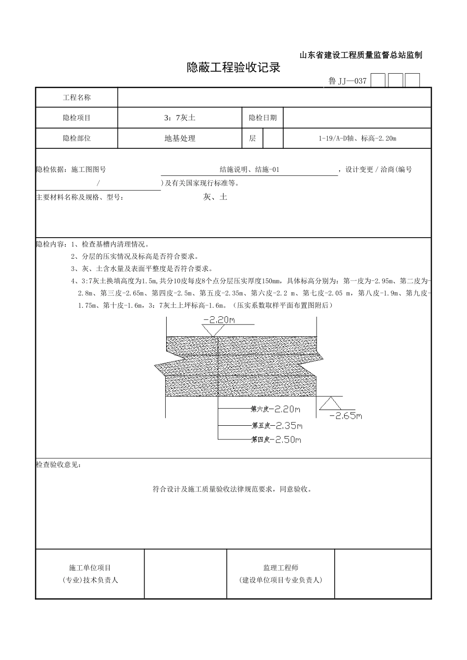
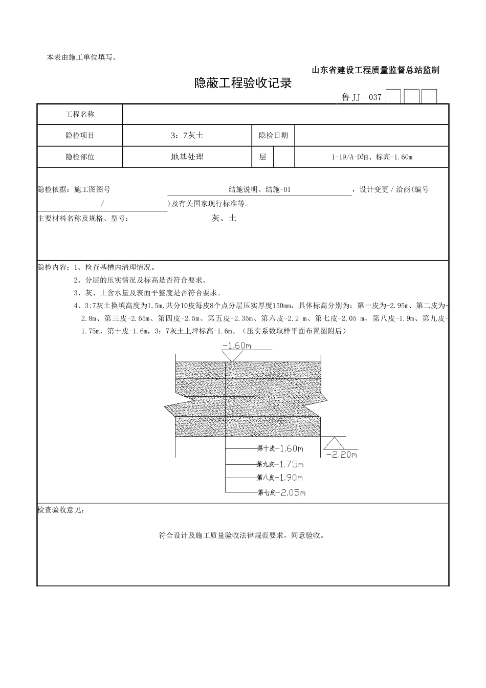
隐蔽工程验收记录鲁 JJ—037工程名称隐检项目3:7灰土隐检日期 隐检部位地基处理层1-19/A-D轴、标高-2.65m 隐检依据:施工图图号结施说明、结施-01,设计变更/洽商(编号/)及有关国家现行标准等。主要材料名称及规格、型号: 灰、土隐检内容:1、检查基槽内清理情况。 2、分层的压实情况及标高是否符合要求。 3、灰、土含水量及表面平整度是否符合要求。 4、3:7灰土换填高度为1.5m,共分10皮每皮8个点分层压实厚度150mm,具体标高分别为:第一皮为-2.95m、第二皮为-2.8m、第三皮-2.65m、第四皮-2.5m、第五皮-2.35m、第六皮-2.2 m、第七皮-2.05 m,第八皮-1.9m、第九皮-1.75m、第十皮-1.6m,3:7灰土上坪标高-1.6m。(压实系数取样平面布置图附后)检查验收意见:符合设计及施工质量验收法律规范要求,同意验收。施工单位项目(专业)技术负责人监理工程师(建设单位项目专业负责人)本表由施工单位填写。山东省建设工程质量监督总站监制隐蔽工程验收记录鲁 JJ—037工程名称隐检项目3:7灰土隐检日期 隐检部位地基处理层1-19/A-D轴、标高-2.20m 隐检依据:施工图图号结施说明、结施-01,设计变更/洽商(编号/)及有关国家现行标准等。主要材料名称及规格、型号: 灰、土隐检内容:1、检查基槽内清理情况。 2、分层的压实情况及标高是否符合要求。 3、灰、土含水量及表面平整度是否符合要求。 4、3:7灰土换填高度为1.5m,共分10皮每皮8个点分层压实厚度150mm,具体标高分别为:第一皮为-2.95m、第二皮为-2.8m、第三皮-2.65m、第四皮-2.5m、第五皮-2.35m、第六皮-2.2 m、第七皮-2.05 m,第八皮-1.9m、第九皮-1.75m、第十皮-1.6m,3:7灰土上坪标高-1.6m。(压实系数取样平面布置图附后)检查验收意见:符合设计及施工质量验收法律规范要求,同意验收。施工单位项目(专业)技术负责人监理工程师(建设单位项目专业负责人)本表由施工单位填写。山东省建设工程质量监督总站监制隐蔽工程验收记录鲁 JJ—037工程名称隐检项目3:7灰土隐检日期 隐检部位地基处理层1-19/A-D轴、标高-1.60m 隐检依据:施工图图号结施说明、结施-01,设计变更/洽商(编号/)及有关国家现行标准等。主要材料名称及规格、型号: 灰、土隐检内容:1、检查基槽内清理情况。 2、分层的压实情况及标高是否符合要求。 3、灰、土含水量及表面平整度是否符合要求。 4、3:7灰土换填高度为1.5m,共分10皮每皮8个点分层压实厚度150mm,具体标高分别为:第一皮为-2.95m、第二皮...

1、当您付费下载文档后,您只拥有了使用权限,并不意味着购买了版权,文档只能用于自身使用,不得用于其他商业用途(如 [转卖]进行直接盈利或[编辑后售卖]进行间接盈利)。
2、本站所有内容均由合作方或网友上传,本站不对文档的完整性、权威性及其观点立场正确性做任何保证或承诺!文档内容仅供研究参考,付费前请自行鉴别。
3、如文档内容存在违规,或者侵犯商业秘密、侵犯著作权等,请点击“违规举报”。

碎片内容

37灰土隐蔽验收记录

确认删除?
VIP
微信客服
  • 扫码咨询
会员Q群
  • 会员专属群点击这里加入QQ群
客服邮箱
回到顶部