第1页共49页编号:时间:2021年x月x日书山有路勤为径,学海无涯苦作舟页码:第1页共49页目录第一章施工规划总说明...........................
隐蔽工程验收记录(通C2.4.0.1编号:001地面工程隐蔽验收记录C2.4.3.1编号:工程名称施工单位隐蔽验收部位隐检时间年月日隐检依据隐检内容施...
第1页共99页编号:时间:2021年x月x日书山有路勤为径,学海无涯苦作舟页码:第1页共99页隐蔽工程验收记录质控(建)表4.1.5.3共页第1页工程...
基槽(孔)验线记录C5-02土方开挖隐蔽工程检查记录C6-01工程名称双城雀巢有限公司2013扩建工程工业服务日期2013年8月31日施工单位黑龙江省...
第1页共33页编号:时间:2021年x月x日书山有路勤为径,学海无涯苦作舟页码:第1页共33页隐蔽工程验收记录质控(建)表4.1.5.3共页第页工程...
第1页共252页编号:时间:2021年x月x日书山有路勤为径,学海无涯苦作舟页码:第1页共252页《威胁中国的隐蔽战争》《威胁中国的隐蔽战争》前...
第1页共52页编号:时间:2021年x月x日书山有路勤为径,学海无涯苦作舟页码:第1页共52页葿蝿袅膂莅蝿羇羅芁螈蚇膁芇莄衿肃膃莃羂艿蒁莂蚁肂...
第1页共41页编号:时间:2021年x月x日书山有路勤为径,学海无涯苦作舟页码:第1页共41页隐蔽工程验收记录鲁JJ-037工程名称正大·御泉世家(...
隐蔽致灾地质因素普查制度XX县区普底乡鹏程煤矿隐蔽致灾地质因素普查制度二0一七年湖南安石集团六盘水煤业有限公司XX县区普底乡鹏程煤矿隐...
隐蔽致灾地质因素普查制度完整[1]为了切实做好矿井隐蔽致灾地质因素普查工作确保****煤矿长治久安消除或减小隐蔽致灾地质因素对矿井安全生...
隐蔽工程验收制度1、隐蔽工程是指工程项目建设过程中,施工图纸以外不可预见的被下一道工序所覆盖,不能直接看到的分项工程。2、隐蔽工程完...
BFM0716-15人防工程隐蔽验收记录济RFL—021工程名称*****隐检项目孔口防护隐检日期隐检部位—层隐检依据:《人民防空工程防护设备产品质量...
卫生间防水隐蔽工程验收记录工程名称波密县贫困人口就业孵化基地-装饰工程施工单位西藏伊成建设有限公司分项工程名称一楼①-⑦轴卷材防水层...
第1页共59页编号:时间:2021年x月x日书山有路勤为径,学海无涯苦作舟页码:第1页共59页管道工程隐蔽验收记录SN2.3工程名称省特种设备安全...
第1页共177页编号:时间:2021年x月x日书山有路勤为径,学海无涯苦作舟页码:第1页共177页隐蔽工程检查验收记录编号共页第页年月日工程名称...
钢筋工程报验申请表工程名称:江西自立资源再生有限公司锅炉房编号:致:江西建设监理有限公司临川分公司(监理单位)我单位已完成了一层柱...
目录第一章施工规划总说明..........................................................6第1节工程概况.....................................
1/15浙建监表B7七号楼地下室基础人防隐蔽工程报验申请表工程名称:温州生态园黄屿片A23、A26地块旧村农房改造安置工程编号:致:温州诚力工...
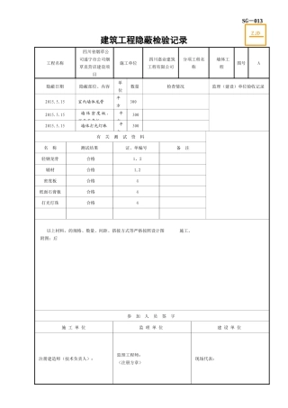
SG-013建筑工程隐蔽检验记录工程名称四川省烟草公司遂宁市公司烟草直营店建设项目施工单位四川嘉业建筑工程有限公司分项工程名称墙体工程...
浦袁小学疏散隐蔽演习活动方案今年5月12日是我国第7个防灾减灾日,为增强师生的的国防观念和人防意识,掌握应对空袭等突发事件情况下应急疏...

