石 膏 板 生 产线 的 工 艺 流 程 : 一 、配 料 工 段 料 仓 内 的 物 料 通 过 水 平 、垂 直 输 送 设 ...
石 膏 板 生 产线 是 由 原 料 供 应 系 统 , 制 板 系 统 , 输 送 系 统 , 横 向 系统 , 烘 干 系 统...
纸 面 石 膏 板 生 产线 是 按 对 象 原 则 组 织 起 来 的 , 完 成 产 品 工艺 过 程 的 一 种 生 产 组...
室内装饰工程施工、验收规范目录8.1 总则8.1.1 吊顶工程工作范围8,1.2 一般要求8.1.3 运输、贮存和搬运8,1.4 工作条件8.2 ...
公共区域室内精装修深化设计、供应及安装专业分包工程第 1 页 共 4 页英特宜家购物中心大兴项目二期工程纸面石膏板吊顶施工方案苏州金...
竹藤二期项目(室内装修工程- 石膏板吊顶)施工方案编制 : 审核 : 审批 :施工单位:北京华新建设工程有限公司编制日期: 2016 年 ...
下载后可任意编辑施工电梯井道封石膏板作业安全防护方案与施工电梯安全旁站方案汇编施工电梯井道封石膏板作业安全防护方案1.《施工现场临时...
轻钢龙骨石膏板隔墙施工作业指导书1.适用范围 本作业指导书适用于本公司承建的工业与民用建设中轻钢龙骨石膏罩面板隔墙安装工程。2.施工准...
竹藤二期项目 (室内装修工程-石膏板吊顶)施工方案 编制: 审核: 审批:施工单位:北京华新建设工程有限公司编制日期:2016 年 11 月...
轻钢龙骨双层石膏板吊顶施工方案Themanuscriptwasrevisedontheeveningof2021石膏板吊顶施工方案一施工准备(一)材料准备1. 轻钢骨架采用...
产品购销合同合同编号:签约日期:签约地点:天津市甲方(需方):团股份有限公司乙方(供方):天津市顺达建材有限公司经甲乙双方和谐协商...
龙牌吊顶材料订货合同供方:(甲方)需方:(乙方)经甲、乙双方和谐协商,本着互惠互利的原则,就产品的生产制作订立以下合同:一、加工产...
石膏板平顶施工工艺目录1、施工前准备工作2、石膏板吊顶工艺流程3、材料的归纳4、石膏板吊顶验收规范5、石膏板吊顶质量通病6、成品保护1、...
石膏板有关耐火方面知识☆纸面石膏板为什么具有良好的耐火性能?纸面石膏板的芯材由建筑石膏水化而成,所以石膏板中石膏是以CaSO4•2H2O的结...
四、轻钢龙骨石膏板吊顶工程1、施工准备(1)材料准备1)轻钢骨架采用U型龙骨;配件有吊挂件,连接件,接插件。2)零配件:有吊杆.化学螺栓....
普通纸面石膏检验报告TESTREPORTNo.2013-0006工程/产品名称NameofEngineering/Product受检单位InspectedBody北京工程有限公司检验类别TestC...
纸面石膏板,硅酸钙板,硅钙板、木丝水泥板、矿棉板的、DS外墙板区别如果用轻钢龙骨做吊顶的话,只能用纸面石膏板其它的二种就要用烤漆龙骨...
纸面石膏板吊顶施工工艺轻钢龙骨石膏板吊顶和木龙骨夹板吊顶施工吊顶施工工艺流程:熟悉图纸→结构顶放吊筋线,墙面抄水平线→打眼→安装吊...
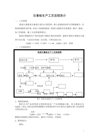
石膏板生产工艺流程简介一、工艺原理纸面石膏板是以建筑石膏为主要原料,掺入适量添加剂与纤维做板芯,以特制的板纸为护面,经加工制成的板...
技术交底记录表C2-1编号工程名称房山区大石窝镇下庄村永久避险安置房建设项目交底日期2015年3月18日施工单位北京轩宇立坤建筑工程有限公司...

