君容指纹门禁考勤一体机硬件说明书
钢结构生产线设备技术协议及方案书无锡洲翔成套焊接设备有限公司WUXI ZHOUXIANG COMPLETE SET OF WELDING EQUIPMENT C0.,LTD地址:...
精品文档---下载后可任意编辑Oracle 数据库一体机性能监控系统的设计与实现开题报告一、选题背景随着近年来信息化建设的不断推动,企业中...
双管准谐振反激技术用于一体机电脑电源的高效率实现
精品文档---下载后可任意编辑打印扫描一体机——扫描设置一、新建本地共享文件夹:1.在 D 盘下右击新建一个文件夹,任意取个文件夹名字,...
中国招标行业门户网站缓冲回填材料砌块关键制备技术及其工程性质研究纯水超纯水一体机设备采购竞争性谈判邀请函各有关单位:为了满足科研工...
目录 一、 希沃 ...................................................................................................................
精品文档---下载后可任意编辑6.25m 捣固装煤推焦一体机装煤装置的开发的开题报告开题报告一、选题背景煤炭是我国主要的能源资源之一,但是...
精品文档---下载后可任意编辑22SiMn2TiB 装甲钢激光切焊一体机设备研发与工艺讨论的开题报告一、项目背景与意义随着军事技术的不断进展,...
1 频纯正弦波太阳能逆变器 I-P-HIC-3000W-48+40A 用户手册 1 1 安全须知····························...
兄弟MFC7360黑白激光多功能一体机使用说明书(高级功能)
手头一台MFC-230C,买的时候找人要了个优惠价,800 多不够900 块,用不到一年就喷头堵塞了,喷出来的字都是隔行空白的。于是问回卖家更好...
详见附件参数一:希沃 70 英寸整体设计需求:1.内置一体化设计,外部无任何可见内部功能模块的连接线。2.采用铝合金机身设计,散热性更好,...
以HPDeskjet系列多功能一体机为例图解怎样更换打印机墨盒更换墨盒的方法很简单,不同的打印机更换墨盒方法不一样,这里以HPDeskjet系列多功...
三星4521一体机传真设置说明书 变更Fax Setup (传真设定)选项 1 按手册直到屏幕上方出现「fax setup」(传真设定)。 第一个可用...
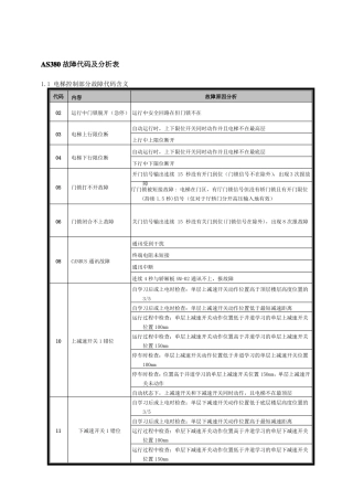
AS380 故障代码及分析表1.1 电梯控制部分故障代码含义代码02内容运行中门锁脱开(急停) 运行中安全回路在但门锁不在自动运行时,上下限...
电子白板软件使用说明书 北京恒生易达科技有限公司 - 1- 电子白板软件使用说明 一、软件安装步骤 A、将软件盘按顺序安装到电脑光驱中...
1 希沃一体机软件日常使用说明及维护 一、掌握正确的开关机顺序: 正确的开机程序是:打开插座电源——开启一体机——将电脑切入到一体...
一体机成品检验规范
三菱欧蓝德EX 鹏辉一体机安装DSA 和多图导航 附安装方法及星星搜寻方法 机器硬件GPS 端口为0 波特率4800 导航软件端口:2 波特率:...

