工程勘察设计取费标准 2 0 0 2 电子版规范 2009-10-28 21:25:56 阅读 855 评论 0 字号:大中小 引用二不小心 的 工程勘察设...
02信息系统工程监理及相关信息技术咨询务取费计算方法(参照标准)
浙江省建设工程施工取费定额(2018版)
一、建筑工程1.建筑工程综合费用费率FAFA-1工业与民用建筑工程FA-2FA-3注:综合费率包括安全文明施工费,检验试验费,已完工程及设备保护费...
1 《浙江省建设工程施工取费定额》 (2003 版) ****出 版 社 2004·北京 主编单位:浙 江 省 建 设 工 程 造 价 管 理...
浙江省建设工程2 0 1 0 取费定额(第一章) 目录 第一章 建设工程施工费用计算规则 第一节 建设工程费用组成 第二节 建设工程施工...
浙江94定额取费标准
浙江03取费定额
设计费 2建设单位管理费 6前期工作咨询收费标准 7招投标代理服务收费 9监理费 10人防费 122国家计委、建设部关于发布《工程勘察设计...
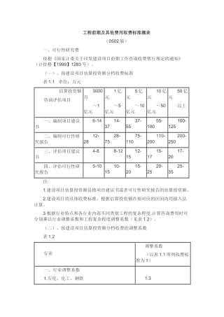
工程前期及其他费用取费标准摘录(0502 版)一、可行性研究费依据《国家计委关于印发建设项目前期工作咨询收费暂行规定的通知》(计价格【...
说 明一、辽宁省建设工程计价依据《建设工程费用标准》(以下简称本费用标准)是国有投资或国有投资为主的建设项目,编制工程量清单、招标...
勘察设计费取费标准 (2002) 勘察费总则1.0.1 工程勘察收费是指勘察人根据发包人的委托,收集已有资料、 现场踏勘、制订勘察纲要,进行...
工程前期费用占比工程前期及其他费用取费标准工程施工前期前期及其他费用取费标准工程详述前期及其他费用取费准则摘录(0502 版)一、可行...
内蒙古2009年新定额取费表措施费项目取费表序号工程类别取费基础分项费率安全文明施工费临时设施费雨季施工增加费以完、未完工程保护费1建...
辽宁定额宣贯资料(与定额对比取费)课件CATALOGUE目录•引言•定额的基本概念•辽宁定额的介绍•与其他定额的对比分析•取费标准的解读与案...
一、国内BIM收费标准概况截至2018年9月,国内共有四个省市(按时间顺序依次为上海、浙江、广东、广西)由相关部门正式发布了关于BIM收费的...
工程前期及其他费用取费标准工程前期及其他费用取费标准摘录(0502版)一、可行性研究费依据《国家计委关于印发建设项目前期工作咨询收费暂...
最新工程设计收费标准目录1.总则2.矿山采选工程设计3.加工冶炼工程设计4.石油化工工程设计5.水利电力工程设计6.交通运输工程设计7.建筑市政...
附件1:最高投标限价相关取费费率一、企业管理费和利润企业管理费和利润以分部分项工程、单项措施和专业暂估价的人工费为基数,乘以相应费...
标准文档实用文案一、可行性研究费计费依据可行性研究报告取费费率表估算投资额(万元)费率(%)算例备注估算投资额可行性研究费(万元)3...

