电脑桌面
添加小米粒文库到电脑桌面
安装后可以在桌面快捷访问

山东省工程类别划分及取费标准VIP免费

山东省工程类别划分及取费标准_第1页
1/14
山东省工程类别划分及取费标准_第2页
2/14
山东省工程类别划分及取费标准_第3页
3/14
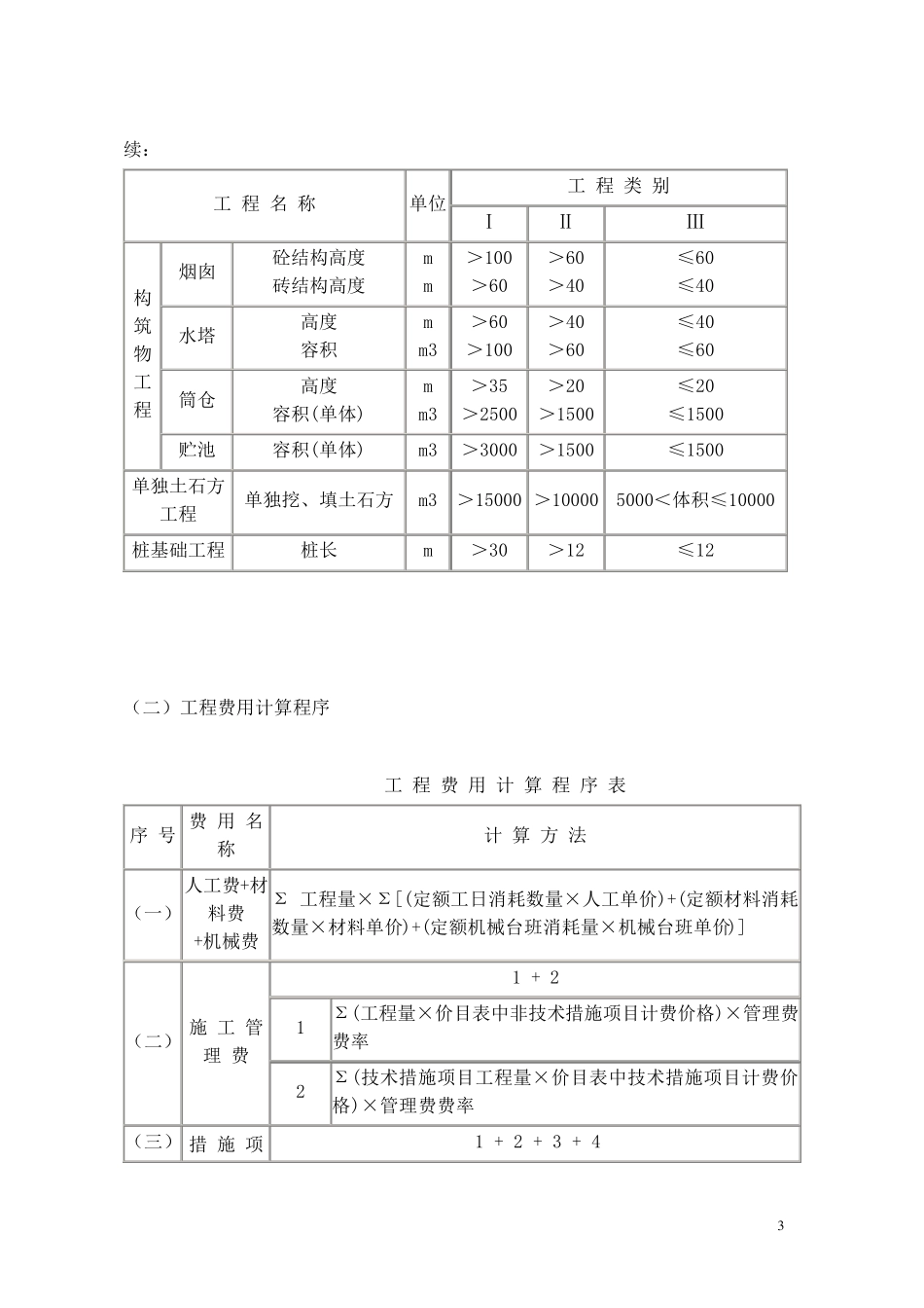
1 山 东 建 筑 工 程 类 别 划 分 及 取 费 标 准(2009-09-10 13:24:15) 工 程 类 别 划 分 标 准 、 费 率 ( 一 ) 工 程 类 别 划 分 标 准 工 程 类 别 划 分 标 准 , 是 根 据 不 同 的 单 位 工 程 , 按 其 施 工 难 易 程 度 , 结 合 我 省 建筑 市 场 的 实 际 情 况 确 定 的 。 工 程 类 别 划 分 标 准 是 确 定 工 程 施 工 难 易 程 度 、 计 取 有 关费 用 的 依 据 ; 同 时 也 是 企 业 编 制 投 标 报 价 的 参 考 。 建 筑 工 程 的 工 程 类 别 按 工 业 建 筑工 程 、 民 用 建 筑 工 程 、 构 筑 物 工 程 、 单 独 土 石 方 工 程 、 桩 基 础 工 程 分 列 并 分 若 干 类别 。 1、 类 别 划 分 ( 1) 工 业 建 筑 工 程 : 指 从 事 物 质 生 产 和 直 接 为 物 质 生 产 服 务 的 建 筑 工 程 。 一 般包 括 : 生 产 ( 加 工 、 储 运 ) 车 间 、 实 验 车 间 、 仓 库 、 民 用 锅 炉 房 和 其 他 生 产 用 建 筑物 。 ( 2) 装 饰 工 程 : 指 建 筑 物 主 体 结 构 完 成 后 , 在 主 体 结 构 表 面 进 行 抹 灰 、 镶 贴 、铺 挂 面 层 等 , 以 达到建 筑 设计 效果的 装 饰 工 程 。 ( 3) 民 用 建 筑 工 程 : 指 直 接 用 于满足人们物 质 和 文化生 活需要的 非生 产 性建 筑物 。 一 般 包 括 : 住宅及 各类 公用 建 筑 工 程 。 科研单 位 独 立的 实 验 室、 化验 室按 民 用 建 筑 工 程 确 定 工 程 类 别 。 ( 4) 构 筑 物 工 程 : 指 工 业 与民 用 建 筑 配套、 且独 立于工 业 与民 用 建 筑 工 程 的 构筑 物 , 或独 立具有 其 功能的 构 筑 物 。 一 般 包 括 : 烟囱、 水塔、 仓 类 、 池类 等 。 ( 5) 桩 基 础 工 程 : 指 天然地基 上的 浅基 础 不 能满足建 筑 物 和 构 筑 物 的 稳定 要求,而采用 的 一 种深基 础 。 主 要包 括 各种现浇和 预制 混凝土 桩 及 其 他 桩 基 。 ( 6)...

1、当您付费下载文档后,您只拥有了使用权限,并不意味着购买了版权,文档只能用于自身使用,不得用于其他商业用途(如 [转卖]进行直接盈利或[编辑后售卖]进行间接盈利)。
2、本站所有内容均由合作方或网友上传,本站不对文档的完整性、权威性及其观点立场正确性做任何保证或承诺!文档内容仅供研究参考,付费前请自行鉴别。
3、如文档内容存在违规,或者侵犯商业秘密、侵犯著作权等,请点击“违规举报”。

碎片内容

山东省工程类别划分及取费标准

您可能关注的文档

确认删除?
VIP
微信客服
  • 扫码咨询
会员Q群
  • 会员专属群点击这里加入QQ群
客服邮箱
回到顶部