第1页共33页编号:时间:2021年x月x日书山有路勤为径,学海无涯苦作舟页码:第1页共33页附件3住宅工程质量分户验收表工程名称桃花岛海贝沙...
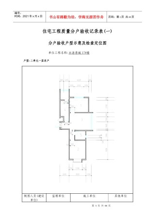
第1页共44页编号:时间:2021年x月x日书山有路勤为径,学海无涯苦作舟页码:第1页共44页住宅工程质量分户验收记录表(一)分户验收户型示意及...
表1漳州市住宅工程质量分户验收记录(户内部分)工程名称房(户)号号楼单元室建设单位开、竣工日期20年月日至20年月日施工单位监理单位序...
现浇结构外观及尺寸偏差分户质量验收记录表表1-1单位工程名称验收部位(房号)检查日期年月日建设单位参检人员姓名职务施工单位参检人员姓名...
第1页共48页编号:时间:2021年x月x日书山有路勤为径,学海无涯苦作舟页码:第1页共48页分户验收的条件一、工程按设计要求全部完成,各分项...
第1页共79页编号:时间:2021年x月x日书山有路勤为径,学海无涯苦作舟页码:第1页共79页表12住宅工程节能质量分户验收记录表总页第页工程名...
第1页共77页编号:时间:2021年x月x日书山有路勤为径,学海无涯苦作舟页码:第1页共77页室内地面、墙面、顶棚抹灰、门窗工程质量分户验收记...
第1页共34页编号:时间:2021年x月x日书山有路勤为径,学海无涯苦作舟页码:第1页共34页住宅工程质量分户验收表分验户表工程名称房(户)号...
第1页共177页编号:时间:2021年x月x日书山有路勤为径,学海无涯苦作舟页码:第1页共177页表A.0.3给排水工程、室内采暖系统、电气工程、智...
第1页共42页编号:时间:2021年x月x日书山有路勤为径,学海无涯苦作舟页码:第1页共42页室内检查记录表工程名称验收部位(房号)检查日期年...
第1页共11页编号:时间:2021年x月x日书山有路勤为径,学海无涯苦作舟页码:第1页共11页附表1:住宅工程质量分户验收表工程名称房(户)号...
第1页共16页编号:时间:2021年x月x日书山有路勤为径,学海无涯苦作舟页码:第1页共16页住宅工程分户验收汇总记录工程名称总户数建设单位验...
一般抹灰工程分户质量验收记录表表3-1单位工程名称验收部位(房号)检查日期年月日建设单位参检人员姓名职务总包单位参检人员姓名职务分包单...
第1页共51页编号:时间:2021年x月x日书山有路勤为径,学海无涯苦作舟页码:第1页共51页住宅工程质量分户验收记录表(空间尺寸)工程名称:...
特种门安装工程分户质量验收记录表表2-4单位工程名称验收部位(房号)检查日期年月日建设单位参检人员姓名职务总包单位参检人员姓名职务分包...
第1页共103页编号:时间:2021年x月x日书山有路勤为径,学海无涯苦作舟页码:第1页共103页抹灰、饰面砖质量分户验收检查表表2-1工程名称翡...
《江苏省住宅工程质量分户验收规则》学习讲义1.总则1.0.1为加强住宅工程质量管理,保证住宅观感质量和使用功能,维护住户的合法权益,根据...
第1页共160页编号:时间:2021年x月x日书山有路勤为径,学海无涯苦作舟页码:第1页共160页住宅工程质量分户验收记录表(户内部分)工程名称...
江苏省住宅工程质量分户验收规则AcceptanceSpecificationforUnitQualityofHousingEngineeringofJiangsuProvince第1页共29页编号:时间:202...
第1页共32页编号:时间:2021年x月x日书山有路勤为径,学海无涯苦作舟页码:第1页共32页通知[2011]号签发人:裴文久唐山市住房和城乡建设局...

