基于低温共烧陶瓷应用的制氢微反应器结构设计摘要:设计一种便携式聚合物电解质膜燃料电池(PEM,也称质子交换膜电池)制氢微反应器,该微...
制氢装置的防雷应急措施为保障集体财产和人员生命安全,在出现雷雨天气做好应急预防措施,避开发生各种事故,特制定应急措施。一:前期应急...
制氢站灭火预案1 设备和人员情况1.1 制氢站包括水电解制氢装置、干燥装置、中压氢气储罐等设备。1.2 建筑为一字型建筑,氢气储罐布置于...
制氢站爆炸应急预案制氢站是生产氢气的重要设施,而氢气又是一种易燃易爆的气体。假如制氢站发生爆炸事故,将会对员工生命财产造成严重威胁...
制氢车间安全生产责任书甲方:加制氢车间 乙方:在岗员工 为仔细贯彻和落实安全生产的各项规定,防止和减少各类安全事故,确保车间安全有...
制氢站防火措施一、一般注意事项:1、制氢室内和其他装有氢气的设备附近,均必须严禁烟火,严禁放置易燃易爆物品,并应设“严禁烟火”的标...
制氢站安全操作事项1.设备应良好接地,以防止产生静电,引起氢气燃烧和爆炸。2.电解槽前操作地面上应放置一块绝缘橡胶板。3.电解间应置防爆...
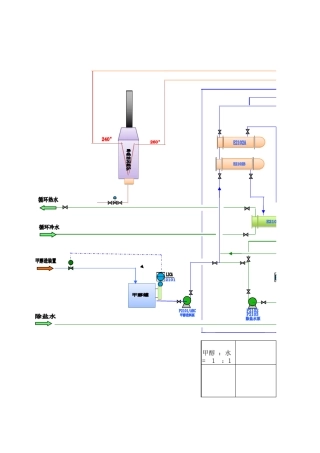
工业大学机械学院2.过程装备与控制工程专业综合课程设计任务书设计题目:生产能力为 2400 m³/h 甲醇制氢生产装置设 计 设 计 人:...
水电解制氢设备操作使用手册\苏州竞立制氢设备有限公司1、简述1.1 、氢气的性质和用途:氢是自然界分布最广的元素之一,它在地球上主要以...
目录制氢行业概述 4一、制氢行业简述 41、氢气的用途 42、氢气制造行业的特点 4二、制氢方法介绍 51、电解水制氢 52、水煤气制氢 53...
目录制氢行业概述 4一、制氢行业简述 41、氢气的用途 42、氢气制造行业的特点 4二、制氢方法介绍 51、电解水制氢 52、水煤气制氢 53...
湖南省火电建设公司作 业 指 导 书编制单位工程名称单位工程项目编码版 次名称: 制氢系统设备管道安装及试运编 写日 期审 核日 ...
长岭原油劣质化和油品质量升级改造工程5 万标立制氢装置(工程)施工用电组织施工方案批 准 :第设公司长岭工程项目部2024 年 6 月 ...
奎山宝塔煤化工120/万吨煤粉制氢装置联产50/万吨煤焦油加氢轻质化装置、6万标方/小时氢气方案2012年12月20日宝塔煤化工进展方向会议讨论意...
制氢装置操作工 岗位练兵专用题库 编号:001试题名称:4 万方制氢引 1.0Mpa 蒸汽进装置操作序号考核内容考核要点配分评分原则检测成果...
技术协议中电制氢 1、..新疆宜化化工有限公司准东五彩湾 2330MW 坑口电厂制氢设备工程技术协议最终使用方:新疆宜化化工有限公司买 方...
太阳能制氢技术展望 1、太阳能制氢技术展望氢能作为二次能源具有能量密度高、热转化效率高、输送本钱低、对环境零污染等诸多优点,是最具...
前 言氢气是一种重要的工业产品,它广泛用于石油、化工、建材、冶金、电子、医药、电力、轻工、气象、交通等工业部门和效劳部门,由于使用...
标准文档 实用大全 电解水制氢工艺描述 电解水生产氢气氧气是一个比较成熟的工艺。其主要组成部分有:电解槽、气水分离罐、加碱罐、洗涤...
氢气的制取和发电机的冷却 氢气的制取和发电机的冷却 第一节 发电机的冷却方式 1. 发电机冷却的重要性 发电机运转时要发生能量消耗,...

