第0页共43页编号:时间:2021年x月x日书山有路勤为径,学海无涯苦作舟页码:第0页共43页目录采购员工作职责第一章专用名词及术语1.1专用名...
职能科室工作职责与人员岗位职责汇编苏州大学附属第一医院20一三年5月目录一、职能科室工作职责1、院长办公室工作职责院长办公室是院长实行...
第1页共30页编号:时间:2021年x月x日书山有路勤为径,学海无涯苦作舟页码:第1页共30页2024年11月29日星期W01:08:531.组织架构/岗位在编1....
施工现场专业人员工作职责一、施工员工作职责项次分类主要工作职责1施工组织策划(1)参与施工组织管理策划。(2)参与组建施工组织管理机...
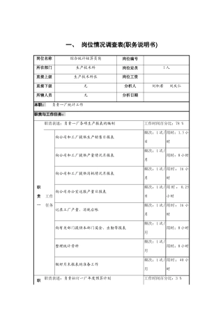
一、岗位情况调查表(职务说明书)岗位名称综合统计核算员岗岗位编号所在部门生产技术科岗位定员1人直接上级生产技术科长岗位工资直接下级无...
保持友好,整洁,专业的印象给客人。工作标准a)e.经常检查个人卫生,保持良好的仪容仪表。b)工作服要保持干净,整洁。c)友好的,并面带微笑的面...
工作职责及岗位适任条件I童庆怡陈申君/应志鸿20一三.7.12版本编写审核会签批准批准日期修改记录版本号修改页次修改审核批准生效日期131蔡敏...
销售部长区域经理调度主管信息采集商超主管专卖主管调度驻厂销售员销售会计押运员开票员档案管理餐饮通路主管财务人员司机订单主管库管销售...
营运总监工作职责1、对总经理直接负责,建立、健全公司生产体系管理架构和管理流程,确保其有效运行;2、制订生产计划,并组织落实,确保生...
局长岗位工作职责岗位名称局长岗位主管本岗位的上级岗位名称局党组监督部门名称县局纪检组工作职责一、在局党组的领导下主持全面工作,带领...
目录第一章、企划部组织架构与职第一节、企划部系统设置一、组织架构二、部门职能第二节、企划部岗位设置与职责一、岗位设置二、岗位职责(...
赤峰市政府采购中心谈判文件编号:CFC-H09066采购项目名称:车库、仓房建造工程采购人:赤峰电视台(盖章)集中采购机构:赤峰市政府采购中...
街道计生办工作职责1、在街道党政领导和市人口计生局领导的支持和指导下,宣传、贯彻执行现行的计划生育方针政策、法律法规及有关规定。2、...
学校主要负责人工作职责一、校长:全面安全工作责任人主要职责:1、对学校学生安全工作全面负责;2、负责学校安全的定期督查、指导工作;3...
总务主任工作职责总务主任在校长领导下,具体负责财务、后勤方面的工作。其主要职责是:一、根据学校工作计划,制定并组织实施总务工作计划...
第一篇连锁店体系组织架构及工作职责第一章连锁店管理中心架构及职责....................................2第二章大区/公司连锁店管理部架...
部门:生产部职务:主管上司:副总经理下属:拉长、物料员、修理员工作资历要求:1、大专以上学历;2、从事生产管理4年以上工作经验;3、有...
•前厅部概述contents•前厅部的工作内容•前厅部的工作要求•前厅部的工作流程•前厅部的工作挑战与解决方案目录01前厅部概述前厅部的定义...
部门职责汇编(V4.1)一、综合部.......................................................................................................
2024年机关后勤工作职责与2024年机关工会工作总结汇编2024年机关后勤工作职责机关后勤工作职责、后勤事务管理职责1、负责本院的安全保卫、...

