《过去是怎样被记载下来的》教学设计一、教学设计●教学目标(1)能够区分文献资料、实物资料、口述资料,了解文献资料、实物资料和口述资...
班主任工作点滴记载今天是学生们开心的一天。同学们都集中在操场上庆祝自己的节日,舞台上孩子们的歌声在回荡,动人的舞姿在飞舞、、、、、...
衡量变化的尺子:•基督教传说中耶稣诞生的那一年。公元元年公元后公元前公元1年公元前551年1、公元纪年1929年2013年公元元年:公元前1年公...
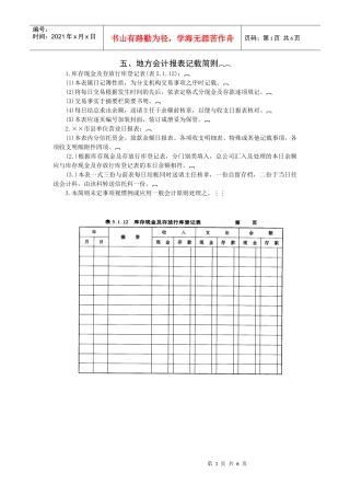
第1页共6页编号:时间:2021年x月x日书山有路勤为径,学海无涯苦作舟页码:第1页共6页五、地方会计报表记载简则1.库存现金及存放行库登...
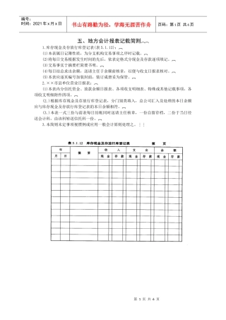
第1页共6页编号:时间:2021年x月x日书山有路勤为径,学海无涯苦作舟页码:第1页共6页五、地方会计报表记载简则1.库存现金及存放行库登...
票据上所作记载的性质及效力分析摘要:票据作为一种文义证券、要式证券,应当严格符合票据法对票据行为的行使要求。理论界对票据记载的专门...
票据上所作记载的性质及效力分析摘要:票据作为一种文义证券、要式证券,应当严格符合票据法对票据行为的行使要求。理论界对票据记载的专门...
票据上所作记载的性质及效力分析孙霞票据作为一种文义证券、要式证券,应当严格符合票据法对票据行为的行使要求。理论界对票据记载的专门研...
碟面標籤第1页共3页编号:时间:2021年x月x日书山有路勤为径,学海无涯苦作舟页码:第1页共3页非書資料及電子出版品應記載事項示例(一)錄...
五、地方会计报表记载简则1.库存现金及存放行库登记表(表5.1.12):(1)本表属日记簿性质,为分支机构交易事项之序时记载。(2)将每日...
五、地方会计报表记载简则1.库存现金及存放行库登记表(表5.1.12):(1)本表属日记簿性质,为分支机构交易事项之序时记载。(2)将每日...
..实习1土壤剖面的观察与记载一、目的与意义土壤剖面是土壤内部性质的外在表现,是土壤长期发育过程中现阶段的标志。研究土壤剖面,现场观...
人才招聘研讨会会议纪要(有删节)……(每人的自我介绍)a:现在我们看人力资源的文章,有很多都是搬迁的。我把咨询业分成几个阶段:第一...
第1页共19页编号:时间:2021年x月x日书山有路勤为径,学海无涯苦作舟页码:第1页共19页人才招聘研讨会会议纪要(有删节)……(每人的自我...
记载消防安全标语记载消防安全标语推荐1.任何单位对存在的火灾隐患,应当及时予以消除。2.爱惜自己家园,驱逐火灾隐患。3.只有防而不实,没...
第1页共37页编号:时间:2021年x月x日书山有路勤为径,学海无涯苦作舟页码:第1页共37页人才招聘研讨会会议纪要(有删节)……(每人的自我...
记载制度老干部局规定⒈各科室每周五下午填写本科室下周工作安排表,明确承办人和完成时间,报送办公室,由办公室汇总后提交局长碰头会研究...
第1页共7页编号:时间:2021年x月x日书山有路勤为径,学海无涯苦作舟页码:第1页共7页“问题挂牌”式校本教研发现问题记载表姓名张志君学科...
人才招聘研讨会会议纪要(有删节)……(每人的自我介绍)a:现在我们看人力资源的文章,有很多都是搬迁的。我把咨询业分成几个阶段:第一...
第1页共10页编号:时间:2021年x月x日书山有路勤为径,学海无涯苦作舟页码:第1页共10页关于改革开放讨论会的策划书一、主题:与改革开放共...

